W708-液压阀芯加工工艺及翻转铰链式钻孔夹具设计
W706-内压秆加工工艺及铣槽、钻孔专用夹具设计
W677-阀盖零件的工艺规程及其铣后端面的工装夹具设计
W660-拉杆臂的工艺工装设计【钻铣2套】
W586-C620普通车床拨动叉的机械加工工艺规程及夹具设计
W434-偏心套零件机械加工工艺规程及插件槽夹具设计
W433-偏心套零件的工艺及车外圆夹具设计
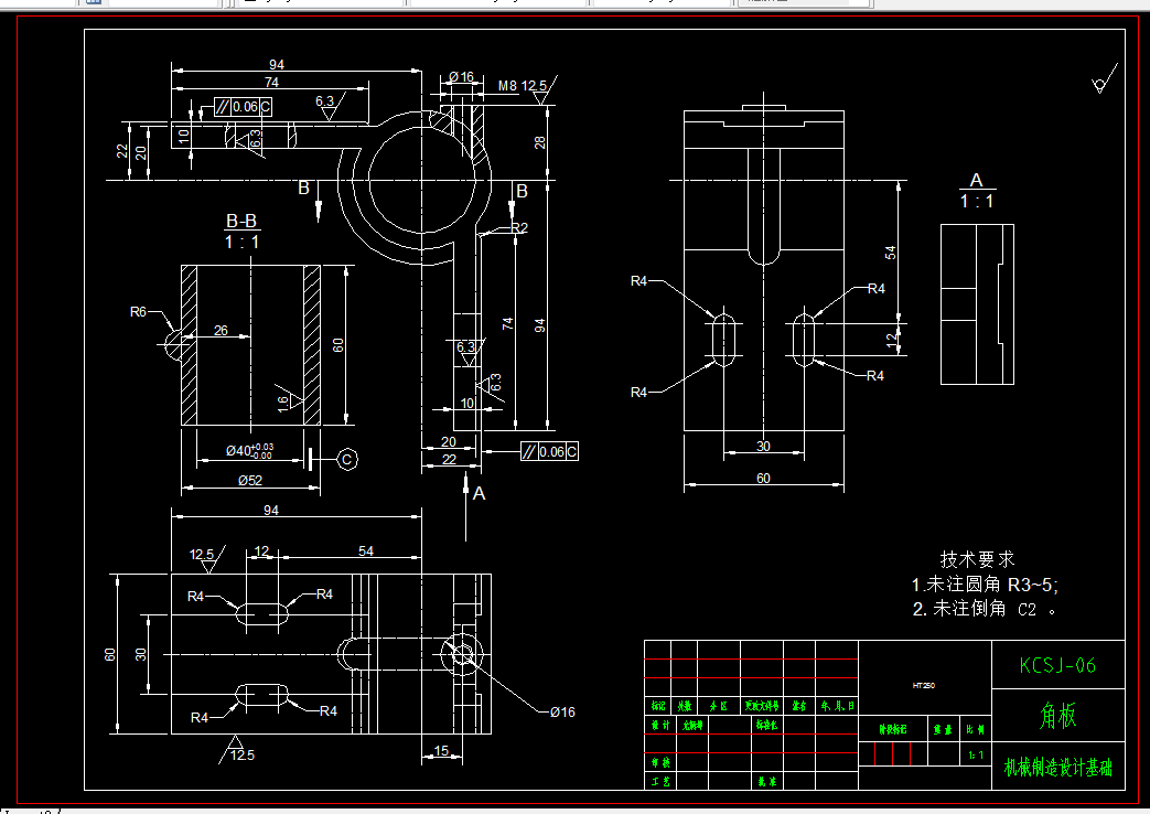
W424-角板的机械加工工艺规程及铣底面夹具设计
W261-C1318自动车床手柄加工工艺及镗Φ16H7孔夹具设计[含SW三维图]
W248-倒档齿轮加工工艺及插键槽工装夹具设计
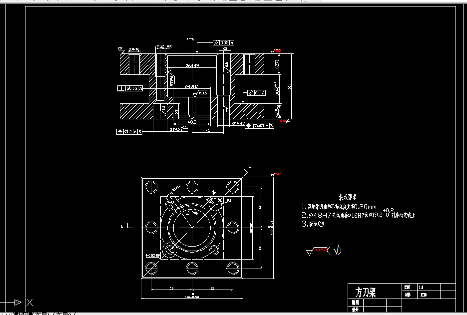
W247-刀架座零件的加工工艺及铣38槽的夹具设计[方刀架]
W240-轴承架零件的工艺规程及钻2-M12孔的工装夹具设计
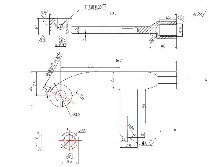
W238-C1318自动车床手柄工艺及钻M16孔夹具设计
W195-活塞环铣开口夹具设计业装配工艺规划
W135-齿轮泵泵座零件机械加工工艺规程及钻削4-φ19孔夹具设计
W128-方刀架的工艺规程及铣四周面夹具设计
W127-虎钳活动嵌身零件钻削φ20孔的工序专用夹具设计
W126-曲柄机械加工工艺规程及锥销孔Φ5加工夹具设计
W122-压紧盖零件的机械加工工艺规程及钻6-φ14孔夹具设计
W111-盘套加工工艺规程及钻φ11孔的夹具设计