K1798B-法兰盘[831004]加工工艺及铣平面夹具设计【含UG三维图】
K1812-法兰盘[831004]工艺及钻φ4φ6孔夹具设计【含UG三维图】
RT237-总泵缸体加工工艺和及钻M12孔夹具设计
RT236-总泵缸体加工工艺和及车φ30端面夹具设计
RT235-微电机壳加工工艺及铣面夹具设计
RT234-微电机壳加工工艺及钻孔夹具设计
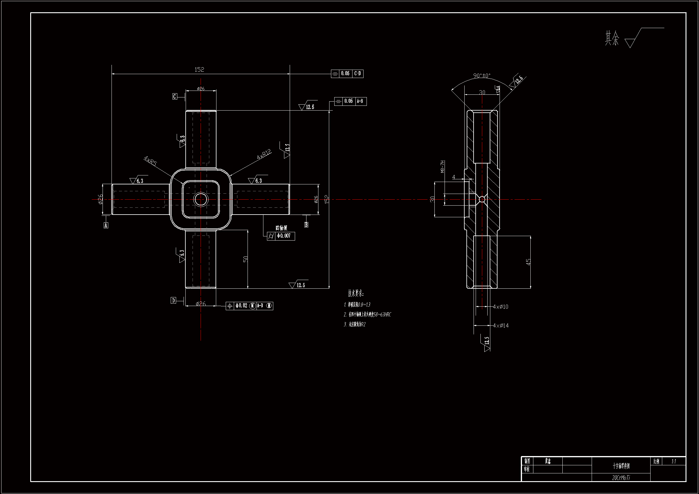
RT225-十字轴加工工艺及铣φ26轴端面夹具设计
RT224-十字轴加工工艺及钻φ14孔夹具设计
RT185-支架销孔液塑钻模设计与装配工艺规划
RT59-轴承座加工工艺及钻孔夹具设计
RT44-阀体加工工艺及钻φ10孔夹具设计
RT42-气缸前盖加工工艺钻4-φ7孔夹具设计【含SW三维图】
K1906-阀体加工工艺及钻4-φ10孔夹具设计【含SW三维图】
N2615-新式前轴立式加工中心液压夹具的设计【含UG三维图】
N2612-曼中桥壳上加工大盘面及盘孔液压镗铣夹具设计【含三维图】
N2610-AC16、HC16连接板孔柔性夹具设计【含三维图】
N2609-曼车桥差速器盖液压钻铣夹具设计【含SW三维图】
N2608-主动锥齿轮钻十字孔工装夹具设计【含三维图】
N2590-4F气缸体加工工艺与工装夹具设计
N2586-减速器箱体双侧铣端面工装夹具设计【含UG三维图】