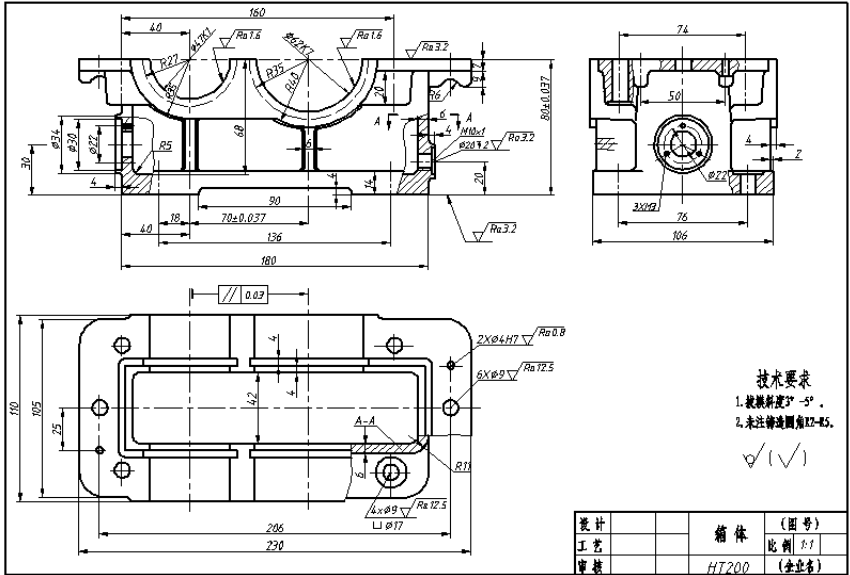
W436A-变速箱体的数控加工工艺及粗镗、精镗φ80,φ62孔夹具设计
T837-变速箱箱体加工工艺与专用机床夹具设计[2套夹具毕设版]
W436-变速箱体加工工艺及夹具设计[2套夹具毕设版]
A0051-一种包装机箱体的加工工艺分析及夹具设计
Q012-XZ25.50变速箱箱体零件的加工工艺规程及专用铣床夹具设计
N032-基于CAPP的XZ25.50箱体工艺规程及专用夹具设计
W723-XT-4032-F41-11箱体零件的机械制造工艺与夹具设计【2套夹具】
KS744-ST型减速器主机座箱体工艺及夹具设计[2套夹具毕设版]
KS744B-ST型减速器主机座箱体工艺及镗夹具设计
KS744A-ST型减速器主机座箱体工艺及铣夹具设计
KS743-S47型减速器箱体零件的加工工艺及镗φ47孔夹具设计[含SW三维图]
KS742-M7163磨床主轴箱体工艺及镗轴承孔夹具设计[含UG三维图]
KS741-箱体零件加工工艺规程设计
KS740B-3BS300减速箱体的工艺规程及钻4-M5孔夹具设计
KS740A-3BS300减速箱体的工艺规程及镗φ52-φ40孔夹具设计
W931C-张力装置底架加工工艺及铣V型槽夹具设计
W931B-张力装置底架零件的加工工艺及铣B端面的夹具设计
W931A-张力装置底架零件的加工工艺及钻2-M8螺纹底孔的夹具设计
W931-张力装置底架零件的机械加工工艺及钻铰Φ10孔夹具设计
KS739C-圆柱齿轮零件加工工艺及及插齿夹具设计