KS739B-圆柱齿轮零件加工工艺及钻6-Φ50孔夹具设计
KS739A-圆柱齿轮零件加工工艺及车外圆及端面夹具设计
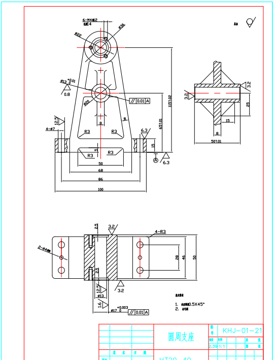
X122D-圆周支座工艺规程及铣36两端面夹具设计
X122C-圆周支座加工工艺及钻6-M4螺纹底孔夹具设计
X122B-圆周支座加工工艺及铣底面夹具设计
X122A-圆周支座加工工艺及钻φ13孔夹具设计
X122-圆周支座加工工艺及钻Φ13孔夹具设计
X121-圆周支座的加工工艺及钻φ13孔的夹具设计
KS738-右支架上盖加工工艺及夹具设计【钻铣2套夹具】
KS738B-右支架上盖加工工艺及钻4-φ21孔夹具设计
KS738A-右支架上盖加工工艺及铣中心孔端面夹具设计
K140G-油阀座机械加工工艺编制及车Ф16.8台阶孔夹具设计
K140F-油阀座加工工艺及铣135度缺口夹具设计
K140E-油阀座加工工艺及车Ф22孔及管口螺纹夹具设计
K140D-油阀座加工工艺及钻绞φ24.5孔夹具设计
K140C-油阀座加工工艺及钻Ф5-Ф3,2-Ф2孔夹具设计
K140B-油阀座加工工艺及钻圆周上φ2mm孔夹具设计
K140A-注油器油阀座加工工艺及镗Φ16夹具设计
K140-设计油阀座零件的机械加工工艺规程及钻φ5mm孔工序的专用机床夹具
K182-设计油阀座零件的机械加工工艺规程钻φ3mm与φ5mm内孔夹具设计