KS611E-换挡叉加工工艺及镗下端R43内圈圆弧夹具设计
KS611D-换挡叉的加工工艺及铣顶面夹具设计[含UG三维图]
KS611C-换挡叉的加工工艺及铣顶面夹具设计
KS611B-换挡叉零件的加工工艺及钻16H8孔夹具设计
KS611A-换挡叉的加工工艺及铣叉脚2面距离8mm夹具设计
W583-换挡叉工艺规程及铣槽14夹具设计
V463-换挡叉机械加工工艺规程及钻Φ16H8夹具设计
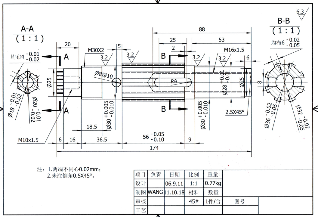
KS610B-花键轴零件机械加工工艺编制及钻φ8孔夹具设计
KS610A-花键轴加工工艺及铣键槽夹具设计
KS609C-后罗拉过桥摇臂零件工艺及铣φ78下端面的夹具设计
KS609B-后罗拉过桥摇臂工艺及铣φ47H8上端面夹具设计
R682-后罗拉过桥摇臂工艺及钻3-M6螺纹的夹具设计
KS609A-后罗拉过桥摇臂零件工艺及铣Φ78孔上端面的夹具设计
W106-后罗拉过桥摇臂零件工艺及铣φ95端面夹具设计
V535-往复杠杆加工工艺及其铣上下平面的夹具设计
KS608E-左摆动杠杆加工工艺及钻M10,φ12孔夹具设计[含SW三维图]
KS608D-左摆动杠杆零件的机械加工工艺规程及精铣面夹具设计
KS608C-左摆动杠杆加工工艺及铣8mm槽夹具设计[含UG三维图]
KS608B-左摆动杠杆加工工艺及铣8mm槽夹具设计
W074-左摆动杠杆的工工艺规程及钻Ф15孔的夹具设计