M7349-高低档拨叉加工工艺及铣叉脚内侧面夹具设计
M7348-中间连接套管件工艺及夹具设计
M7347-拨叉加工工艺及钻φ25H7底孔夹具设计
M7345-推杆加工工艺规程及其钻铰φ8H8孔夹具设计
M7344-ZT002推杆机械制造工艺规程及钻φ8H8孔夹具设计
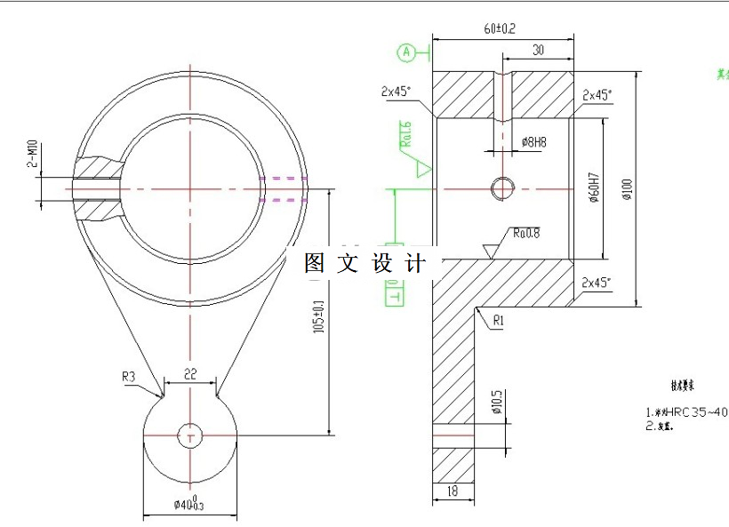
M7343-杠杆臂零件机械加工工艺规程设计
M7342-滑块零件机械加工工艺规程设计
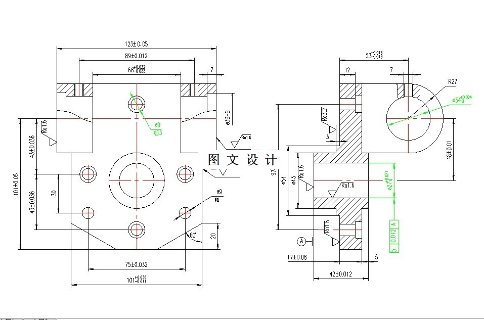
M7341-支架加工工艺及钻孔夹具设计
M7340-轴承座加工工艺及粗铣15平面夹具设计
M7338-调速杠杆加工工艺及铣槽夹具设计
M7337-缸底加工工艺及钻孔夹具设计
M7336-方刀架加工工艺规程及钻φ36孔夹具设计
M7335-杠杆零件机械加工工艺规程及钻10孔夹具设计
M7334-杠杆零件机械加工工艺规程及铣9.5槽夹具设计
Z418-顶杆零件加工工艺及钻M10螺纹孔夹具设计
M7332-偏心泵体加工工艺及钻铰φ16孔夹具设计
M7331-链条返回机构零件机械加工工艺规程设计
M7330-阀板零件机械加工工艺规程设计
M7329-支撑座加工工艺及钻攻8XM20螺纹孔夹具设计【支承座】
M7328-轴零件加工工艺规程及铣槽夹具设计[含工艺流程图]