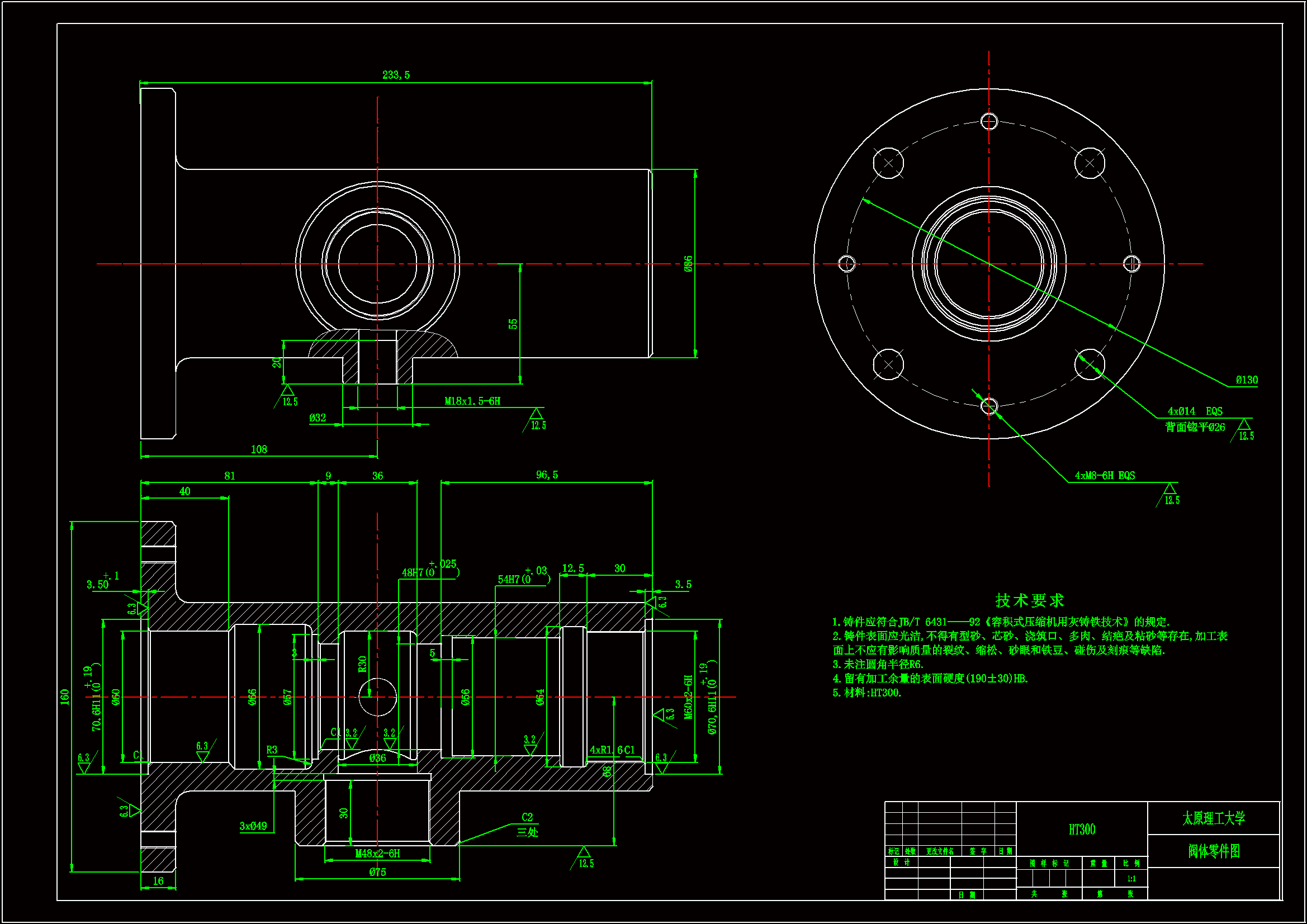
M7219-容积式压缩机阀体加工工艺及车小凸台平面夹具设计[含Catia三维图]
M7218-容积式压缩机阀体加工工艺及车镗内孔夹具设计
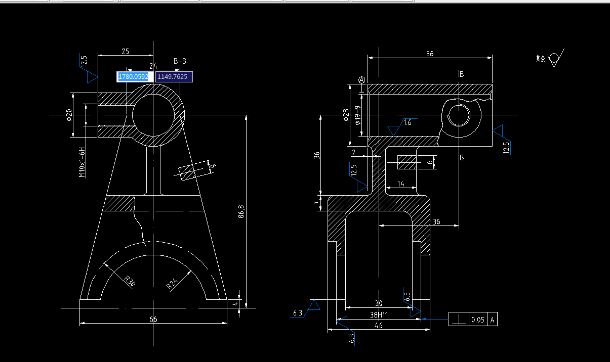
M7217-拨叉加工工艺及镗孔R24及R30端面夹具设计
M7216-小拨叉加工工艺及镗φ40孔夹具设计[含SW三维图]
M7215-小拨叉加工工艺及铣R26下端面夹具设计
M7214-小拨叉加工工艺及镗R20孔夹具设计
M7213-摇臂支架加工工艺及钻φ6.1孔夹具设计
M7208-曲轴加工工艺及夹具设计-2套夹具
M7207-齿轮罩加工工艺及夹具设计-2套夹具
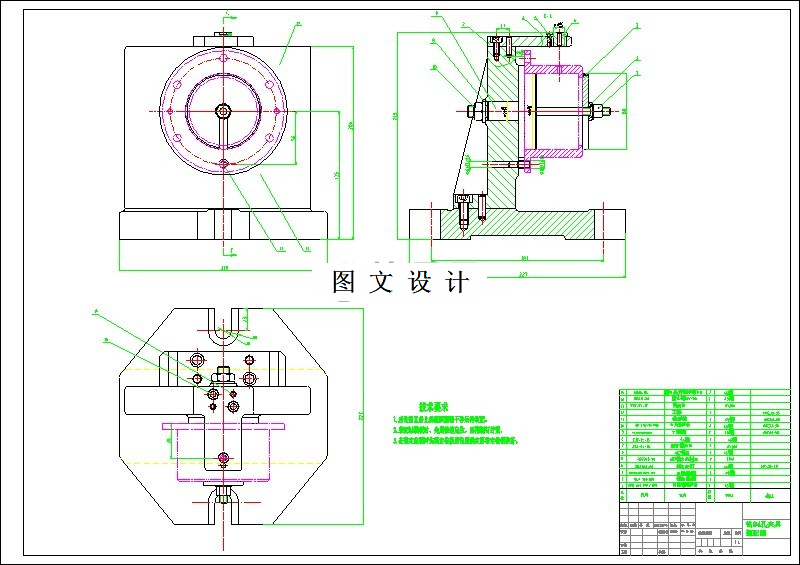
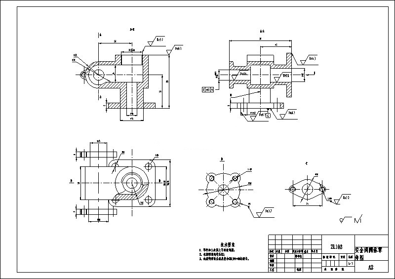
M7205-安全阀阀芯工工艺规程设计及夹具设计
M7204-安全阀阀体加工工艺及夹具设计-2套
M7203-矿样破碎装置定心套制造工艺设计
M7199-滑动轴承盖加工工艺及镗φ60孔夹具设计
M7198-滑动轴承盖加工工艺及钻2-φ13孔夹具设计
M7197-滑动轴承盖加工工艺及铣60f9两侧面夹具设计
M7196-套零件工艺及钻2-M8孔夹具设计【套筒 轴套】【沈阳理工】
M7195-自行车右曲柄钻φ16和M14孔夹具设计[含SW三维图]
M7194-自行车右曲柄加工工艺及铣φ9孔两侧面夹具设计
M7193-拨叉加工工艺及铣φ25孔端面夹具设计
M7192-换挡叉加工工艺及铣M10小凸台夹具设计