J062B-拨叉[831003]工艺及钻φ5锥孔及2-M8孔夹具设计[含SW三维图]
K1751-拨叉[831003]工艺及铣顶面夹具设计[含SW三维图]
K1789-拨叉[831003]工艺及铣30×80台阶面夹具设计[气动夹具]
M7171-容积式压缩机阀体加工工艺车M48螺纹孔夹具设计
M7170-最终传动箱盖加工工艺及铣φ26小端面夹具设计
M7169-最终传动箱盖加工工艺及钻M16螺纹孔夹具设计
K1782-后托架[831001]工艺及钻M6及φ6孔夹具设计[含UG三维图]
L065B-后托架[831001]工艺及钻三杠孔夹具设计[含三维图]
L067B-后托架[831001]工艺及钻顶面四孔夹具设计[含SW三维图]
L061B-后托架[831001]工艺及铣底面夹具设计[含SW三维图]
E196B-后托架[831001]工艺及钻三杠孔夹具设计[含SW三维图]
KS1B-CA6140车床后托架[831001]工艺及钻三杠孔夹具设计[含SW三维图]
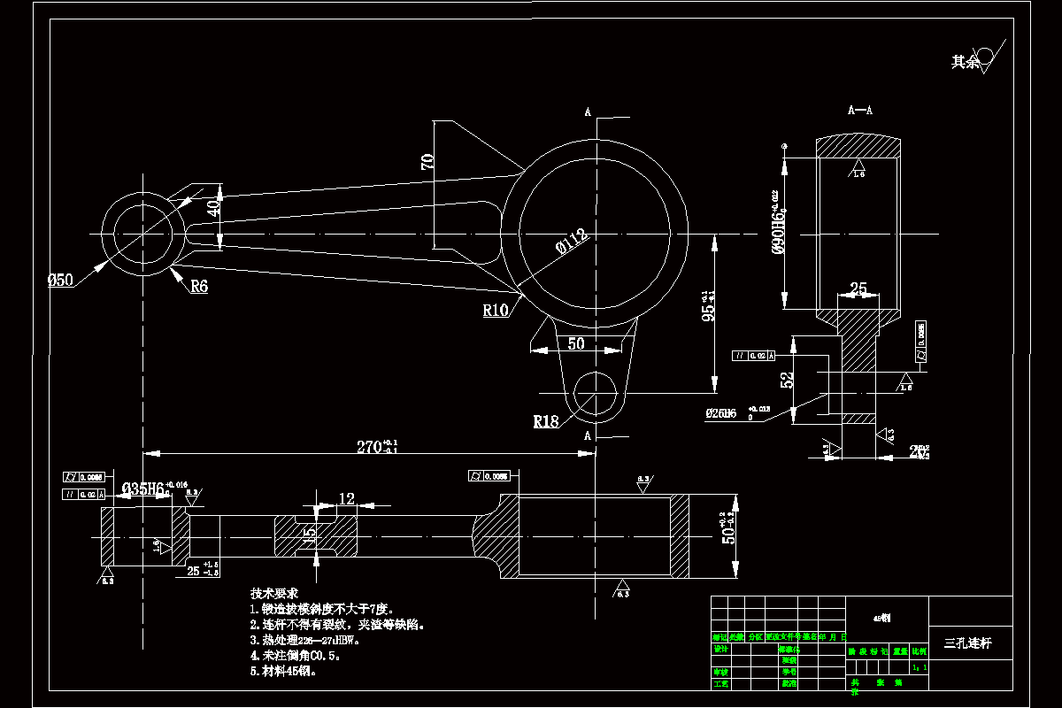
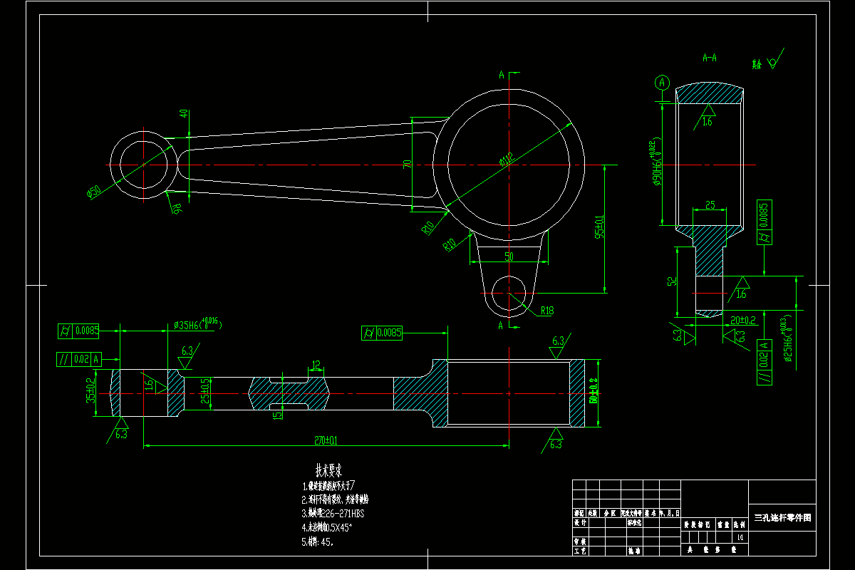
M7167-三孔连杆加工工艺和钻35孔夹具设计
M7166-三孔连杆加工工艺和镗φ90孔夹具设计
M7166-三孔连杆加工工艺和铣φ35孔端面夹具设计
M7165-三孔连杆加工工艺和铣φ90大头孔端面夹具设计
K1835-后托架[831001]工艺及钻2-φ13螺钉孔夹具设计[气动夹具]
M7163-后托架[831001]工艺及钻三杠孔夹具设计[一面两销]
K1852-后托架[831001]工艺及钻顶面4孔夹具设计[气动夹具]
M7161-拨叉[831002]工艺及钻25孔夹具设计[气动夹具]