

作品包括:
word说明书一份,共21页,约12000字
PPT答辩一份
外文翻译一份
CAD版本图纸,共3张
工序卡片一份
摘 要
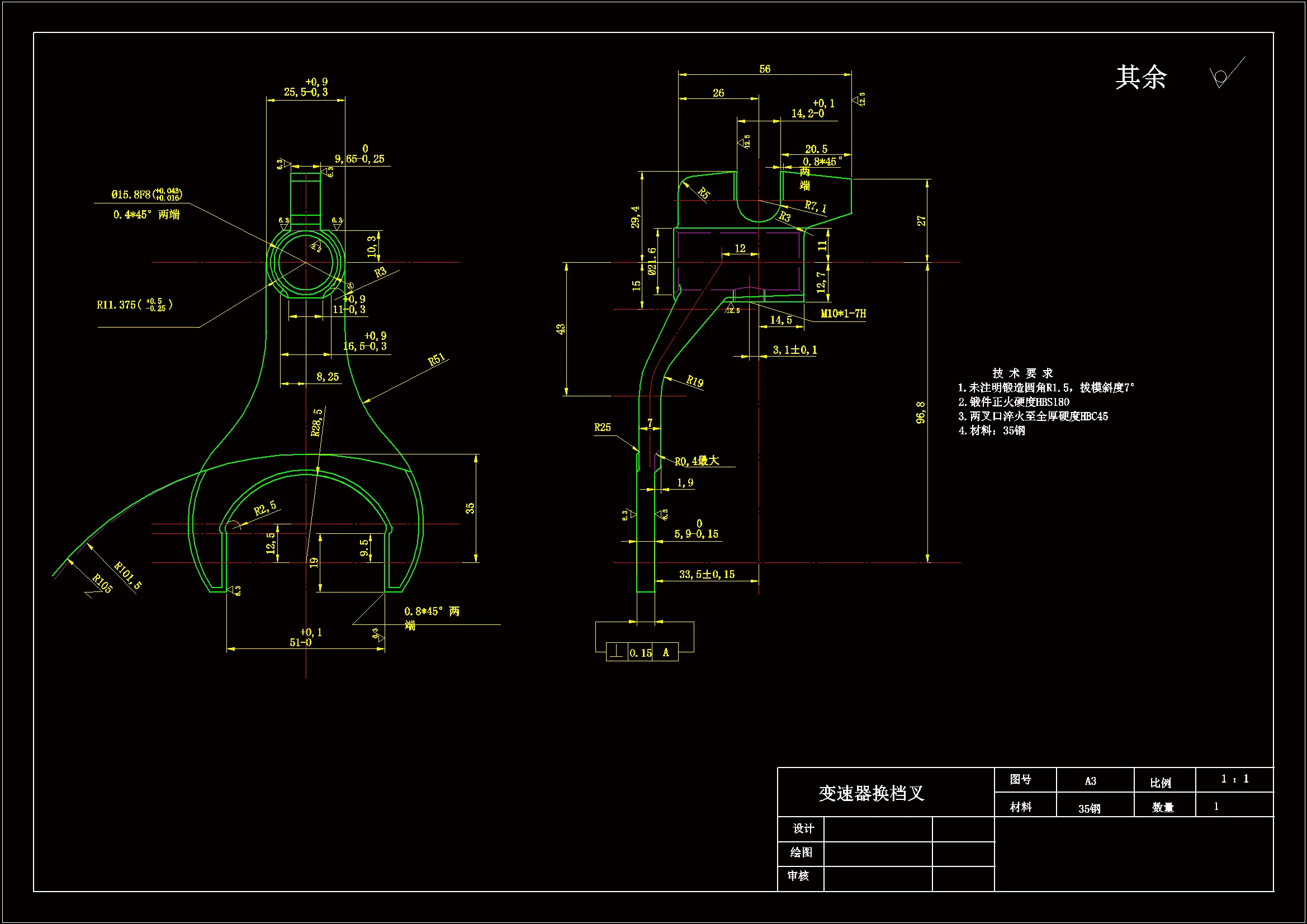
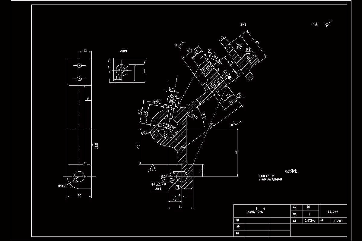
本次毕业设计的题目是叉形件加工工艺及夹具设计。叉形件是飞机液压助力器执行机构中的主要部件之一,在产品的某组件中内孔Φ10和外圆Φ9与叉形件组件中的外圆和内孔配合,起到一个连接的作用。
主要的设计思路是:分析零件特点及拟订合理的工艺规程,依据工艺规程设计,选择机床和设计合理的夹具。在机械加工中如果能广泛地使用夹具,就能极大的节省加工时的辅助时间,以减轻工人的劳动量,提高产品的质量和劳动生产率。 设计夹具一般先对原始材料进行分析,明确设计要求和意图,然后提出具体的定位、夹紧、对刀方案和夹具体的一般结构。本文采用六点定位的定位方法,夹紧螺钉与双向压板组合的夹紧方法,为保证设计的可靠性,还对夹具的精度进行了分析。
本次毕业设计是专业课程的理论学习和实践之后的最后一个教学环节,通过本次设计对所学专业课程的理论加以综合并增加生产实践知识,经过实际训练,从而培养和提高个人独立工作的能力。巩固与扩充了相关课程内容,掌握其设计的方法和步骤。在设计中查阅了大量的机械书籍,在此过程中锻炼并提高了机械设计的基本技能,如计算、绘图、查阅设计资料和手册;熟悉机械设计标准及其它有关的标准和规范,并在设计中加以贯彻,对今后的工作与学习打下了坚实的基础。
关键词:叉形件,工艺规程,机床夹具
目录
前 言 - 1 -
第一章 零件的分析 - 2 -
1.1零件的作用 - 2 -
1.2 零件的结构与工艺分析 - 2 -
第二章 工艺规程设计 - 4 -
2.1确定毛坯的制造形式 - 4 -
2.2 基准的选择 - 4 -
2.2.1粗基准的选择 - 4 -
2.2.2精基准的选择 - 4 -
2.3加工阶段的划分 - 5 -
2.3.1零件加工阶段的划分 - 5 -
2.3.2.工序的集中与分散 - 5 -
2.4.制定工艺路线及方案 - 5 -
2.5 机械加工余量、工序尺寸的确定 - 7 -
2.6尺寸链的计算 - 7 -
第三章 铣床夹具设计 - 9 -
3.1装夹方案的确定 - 10 -
3.1.1定位基准的选择 - 10 -
3.1.2装夹方案 - 10 -
3.2夹具设计及解析 - 11 -
3.2.1.夹具精度分析 - 12 -
3.2.2.夹具设计及操作的简要说明 - 14 -
参考文献 - 15 -
致 谢 - 16 -
毕业设计小结 - 17 -
附 录 - 18 -
温馨提示:
1、题目前面的备注【字母数字编号】为本站整理分类的编号,与课题内容无关,请选题时忽视;
2、若题目上备注三维,则表示文件里包含三维源文件,由于三维组成零件数量较多,为保证预览截图的简洁性,本站将三维文件夹进行了打包。三维及CAD预览截图,均为本站电脑打开软件进行截图的,保证能够打开,下载原件超高清,下载后解压即可;
3、本站所有资源如无特殊说明,都需要本地电脑安装Office2007。图纸软件为AutoCAD,PROE,UG,SolidWorks,CATIA等;
4、本站所有图文资料仅供用户学习参考,不作为任何商用或其他用途;
5、本站不保证下载资源的准确性、安全性和完整性, 不包修改,不支持退换,同时也不承担用户因使用这些下载资源对自己和他人造成任何形式的伤害或损失;
6、 下载文件中如有侵权或不适当内容,请与我们联系,我们立即纠正。