

作品包括:
Word版说明书1份,共27页,约7100字
工序卡3张
工艺过程卡1张
CAD版本图纸,共4张
SW三维图一套
![1694527786392064.webp ~%}Q)]ZXQDFZL88Q2HCMUNX.webp](/static/upload/image/20230912/1694527786392064.webp)
摘 要
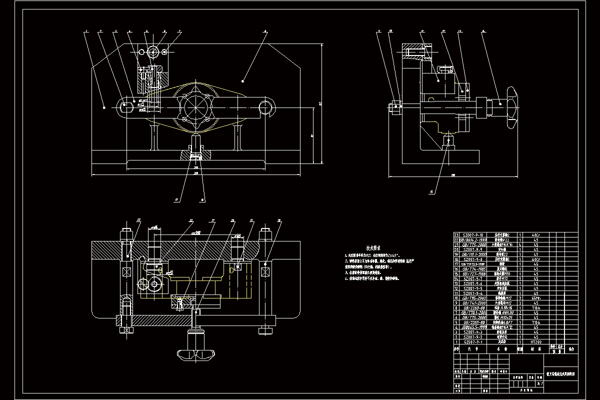
本文为CA6140车床的007拨叉零件设计了机械加工工艺过程,并且为钻M8螺纹孔工序设计了专用夹具。
首先分析图纸,我们小组确定需要加工的面。之后小组讨论,对上学期的加工工艺流程进行修改,确定了一个更加完善的加工工艺流程。
然后我们小组进行任务分配,我对工序9的工步进行了分析,通过查找资料,确定了主轴转速,切削速度,进给量等钻削用量。然后还确定了每个工步所需的刀具、量具、基本工时。
接着,根据工序9的加工需求,我选用了一面两销的定位方式来加工工件。根据一面两销的原则,我设计了钻M8螺纹孔的专用夹具,通过查相关的资料,我用SolidWorks软件绘制了专用夹具的三维图纸。然后将三维图纸转化为二维图纸,并反复修改得到最终的二维图纸。
最后,我进行了夹具夹紧力的计算,计算后得到夹具夹紧工件所需的夹紧力为2263 N。我还进行了加工误差的分析,计算后发现夹紧误差和定位误差都在合格范围内,夹具设计合理。
目录
一、设计内容 1
二、加工工艺过程的制定 1
2.1 最初的加工工艺路线 1
2.2 完善后的加工工艺路线 2
三、机械加工工序卡的相关计算 6
3.1确定毛坯尺寸 6
3.2工序9的参数计算 8
四、钻螺纹孔夹具的设计 12
4.1快换钻套的设计 12
4.2衬套的设计 13
4.3固定模板的设计 13
4.4夹具体的设计 14
4.5定位短销和削边销的设计 14
4.6手柄支撑横梁及支撑架的设计 15
4.7手柄及压块的设计 16
4.8辅助支撑的设计 17
4.9夹具装配体三维图 17
4.10夹具装配体二维图 18
4.11夹具体二维图 19
4.12夹具操作说明 19
五、相关计算 20
5.1 夹紧力的计算 20
5.2加工误差分析 21
六、参考文献 23
温馨提示:
1、题目前面的备注【字母数字编号】为本站整理分类的编号,与课题内容无关,请选题时忽视;
2、若题目上备注三维,则表示文件里包含三维源文件,由于三维组成零件数量较多,为保证预览截图的简洁性,本站将三维文件夹进行了打包。三维及CAD预览截图,均为本站电脑打开软件进行截图的,保证能够打开,下载原件超高清,下载后解压即可;
3、本站所有资源如无特殊说明,都需要本地电脑安装Office2007。图纸软件为AutoCAD,PROE,UG,SolidWorks,CATIA等;
4、本站所有图文资料仅供用户学习参考,不作为任何商用或其他用途;
5、本站不保证下载资源的准确性、安全性和完整性, 不包修改,不支持退换,同时也不承担用户因使用这些下载资源对自己和他人造成任何形式的伤害或损失;
6、 下载文件中如有侵权或不适当内容,请与我们联系,我们立即纠正。