V070-双头钻扩铰专机设计—专机总体设计,主轴箱设计
V050-CA6140车床主轴传动系统设计-单主轴变速机构设计
V022-半闭环数控车床液压传动与控制设计
V018-半闭环数控车床总体设计
V017-半闭环数控车床进给部件设计
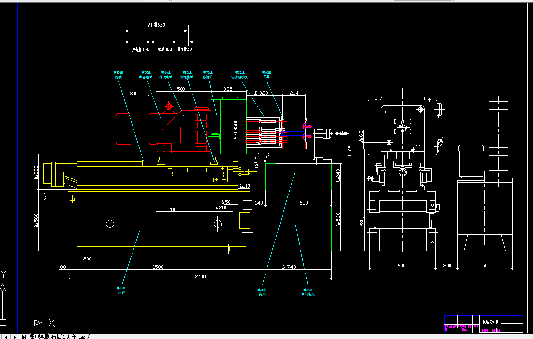
U144-X62W机床进给系统数控改造设计
T500-二级展开式圆柱齿轮减速器F=2600,V=1.6,D=450
T494机械设计课程设计-链式运输机用蜗杆减速器设计
T429-带式输送机传动装置中的一级直齿减速器-F=2.1,V=1.6,D=400
T428-自动送料带式输送机传动装置中的一级圆柱齿轮减速器-一级圆柱齿轮减速器设计F=2000,V=1.8,D=320
T369-X5025立式升降台铣床的数控改造
T338-加工后轮壳零件14-M12底孔专用机床多轴箱设计
T328-CA6140型车床主轴箱改进型设计及工艺分析
T327-FX501细纱机蜗轮轴承座加工工艺及工装设计
T326-连接座零件钻6-φ7孔组合机床设计
T317-汽车变速箱前后面孔系钻削攻丝组合机床设计
T293-箱式类零件钻削组合机床设计
T235-滑动轴承座专用钻床设计
S906-R180柴油机气缸体三面钻削组合机床总体及后主轴箱设计
S867-XK712数控铣床Z轴进给部件设计