

作品包括:
Word设计说明书1份,共57页,约24000字
CAD版本图纸,共3张
摘要
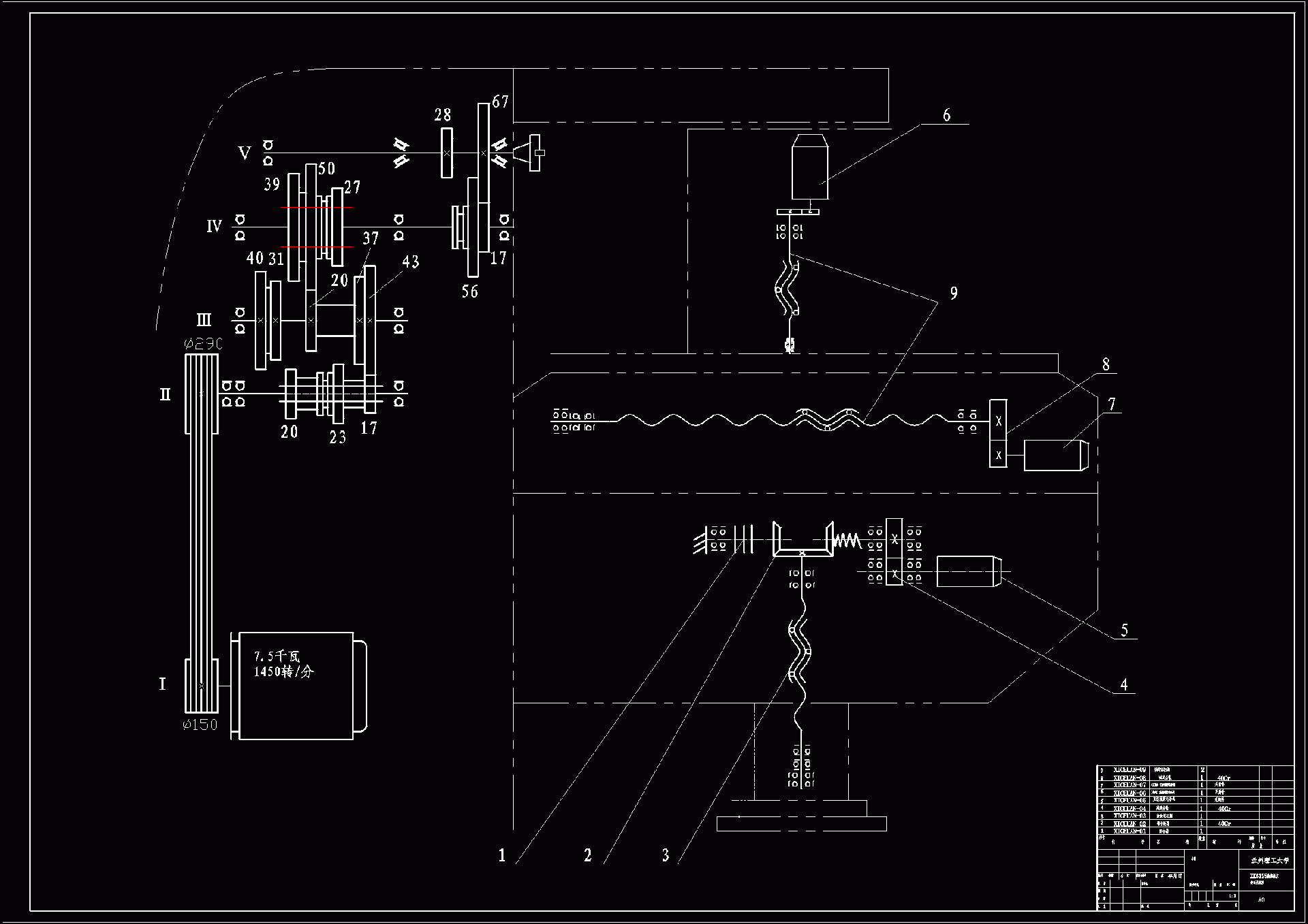
XK6125数控铣床总体及纵向进给传动机构设计 从研究铣床着手,借鉴国内外先进经验,设计了一台用于多种工件加工的铣床数控化改造,满足了生产和设计的要求。整个铣床主要包括横纵向进给机构、垂直进给机构、立柱、横梁、底座、工作台等主要组部件。其中所有进给机构均采用滚珠丝杠进行传动,并由伺服电机进行驱动。主轴箱安装在门架上,运用类比法自行设计了滚珠丝杠螺母副的制动装置。 全面阐述了数控铣床的结构原理,设计特点,论述了采用伺服电机和滚珠丝杠螺母副的优点。详细介绍了数控铣床的结构设计及校核,并进行了分析。另外汇总了有关技术参数。 其中着重介绍了滚珠丝杠的原理及选用原则,系统地对滚珠丝杠生产、应用等环节进行了介绍。包括种类选择、参数选择、精度选择、循环方式选择、与主机匹配的原则以及厂家的选择等
温馨提示:
1、题目前面的备注【字母数字编号】为本站整理分类的编号,与课题内容无关,请选题时忽视;
2、若题目上备注三维,则表示文件里包含三维源文件,由于三维组成零件数量较多,为保证预览截图的简洁性,本站将三维文件夹进行了打包。三维及CAD预览截图,均为本站电脑打开软件进行截图的,保证能够打开,下载原件超高清,下载后解压即可;
3、本站所有资源如无特殊说明,都需要本地电脑安装Office2007。图纸软件为AutoCAD,PROE,UG,SolidWorks,CATIA等;
4、本站所有图文资料仅供用户学习参考,不作为任何商用或其他用途;
5、本站不保证下载资源的准确性、安全性和完整性, 不包修改,不支持退换,同时也不承担用户因使用这些下载资源对自己和他人造成任何形式的伤害或损失;
6、 下载文件中如有侵权或不适当内容,请与我们联系,我们立即纠正。