DY560-基于S7-200 PLC的龙首电站技术供水设计
DY556-基于S7-200 PLC及MCGS组态的LED灯图形控制系统设计
DY554-基于S7-300 PLC的二色分拣机的设计与仿真步进驱动气缸气动原理图
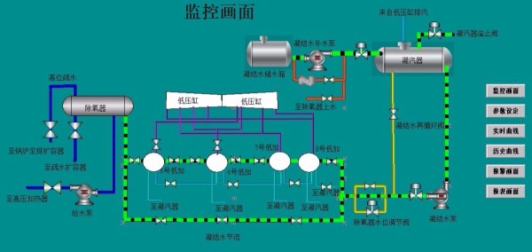
DY542-基于S7-300 PLC及组态王的凝结水节流控制系统设计
DY541-基于三菱PLC的工业洗衣机控制系统的设计
DY529-PLC水产养殖环境中的含氧量控制系统设计养殖增氧机控制设计
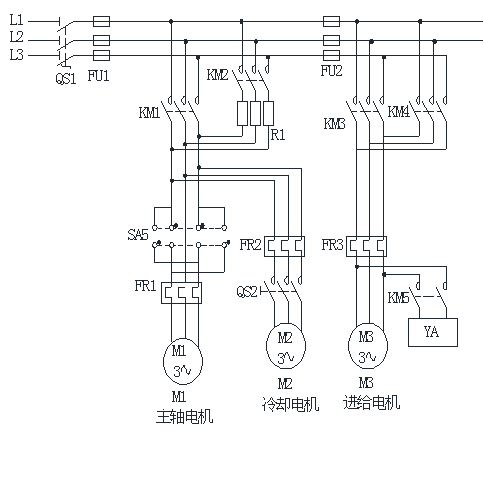
DY521-普通车床的电气控制及PLC改造C650车床电气改造组态王
DY517-基于S7-200 PLC及Wincc触摸屏的3PE钢管打磨机控制设计
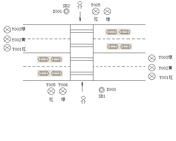
DY518-按钮式人行横道交通灯的PLC控制系统设计交通灯程序设计
DY491-基于三菱PLC及触摸屏的全网印刷控制系统设计
DY486-基于三菱PLC的自动铣床控制系统设计铣床改造
DY485-PLC在液体混合控制系统中的应用液体混合搅拌电气控制系统
DY480-基于欧姆龙PLC的四层电梯控制系统的设计
DY479-基于Omron PLC的步进电机控制系统设计
DY467-基于S7-200 PLC的传送带控制系统设计四节
DY462-基于S7-200 PLC的水塔水位控制系统的设计
DY458-基于三菱PLC的水塔水位自动控制系统设计
DY427-基于三菱PLC的交通灯系统设计
Q968-基于三菱PLC的自动扶梯控制系统设计
DY412-基于S7-200 PLC的四层电梯控制系统设计