DY603-基于三菱PLC的混凝土配料和搅拌控制系统设计
DY597-基于S7-200 PLC的步进控制系统的设计
N500-基于三菱PLC及触摸屏的牡丹花种植的温湿度控制系统设计大棚控制
DY566-基于S7-200 PLC的西流水电厂油压装置自动化系统设计
DY562-基于S7-300 PLC的啤酒装箱自动生产线监控系统设计
DY558-乌鲁瓦提水电厂集水井排水自动化系统设计
DY553-基于PLC的水库液位电气控制系统设计
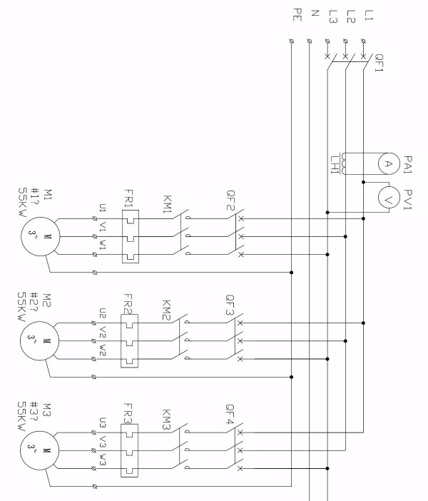
DY549-基于S7 300PLC及组态王的船舶电站监控系统设计
DY540-基于S7-200PLC的大小球分选系统大小球分拣电气控制设计机械手
DY532-基于S7-200PLC的3x3 7车位升降横移立体库控制系统设计
DY537-基于S7 300PLC及组态王的车门包边机控制系统设计
DY507-基于PLC及MCGS组态的大小球分拣系统控制设计
DY500-多模式十字路交通灯PLC控制系统设计拥堵自动调整时间
DY488-基于三菱PLC的传送带灌装设计灌装控制系统饮料灌装控制系统
DY459-基于三菱PLC的步进电机控制系统的设计
P803-基于S7-200 PLC及组态王的涂布机组传动大惯量系统动态精度控制系统设计
DY389-基于Profibus现场总线的热工量多参数测量控制温度液位
P881-基于S7-200 PLC及组态王的可编程自动喂料车控制系统设计
DY356-基于三菱PLC的工业机械手控制系统设计
DY353-基于三菱PLC的简单霓虹灯(礼花之光)控制设计