W992-物料提升机的设计与分析
W991-半自动平压模切机的设计
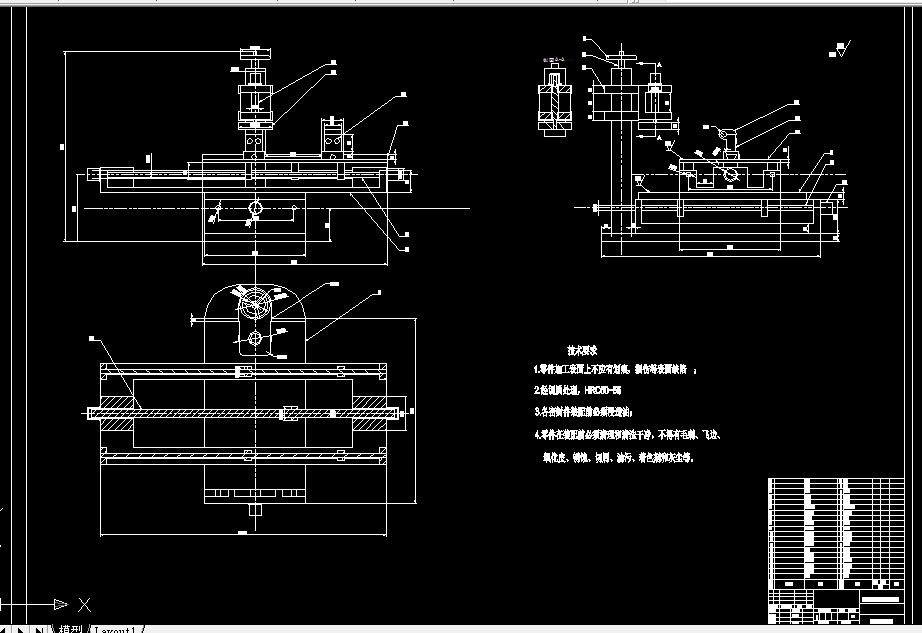
W989-熔融沉积成型机床设计
W988-街道护栏自动清洗机构设计
W987-高层建筑逃生装置设计
W986-液压挖掘机工作装置结构设计[含SW三维图]
W985-残疾人轮椅设计
W984-蜂蜜离心机设计[含SW三维图]
W983-残疾人轮椅设计
W982-推拉型电磁铁性能测试台设计
W981-家用电动护理床设计[含三维图]
W979-冰刀研磨机设计
W978-非开挖水平定向钻机顶进回拖系统结构设计
W968-稀油润滑液压系统设计
W967-挖掘机液压系统设计
W966-汽车车辆减振装置设计
W965-电液伺服跑偏控制系统设计
W964-油管内壁爬行机器人设计
W963-摇臂钻床液压控制系统设计
W962-数控车床夹盘液压系统设计