E475-42BYG020步进电机的单片机细分驱动器设计
E474-36BF003步进电机的单片机细分驱动器设计
E472-用普通LED灯做传感器及数据传输的方法研究
E471-寻线搬运机器人模型及其控制系统设计
E469-万能材料试验机加热保温装置的设计
E468-同步上料旋转升降系统设计
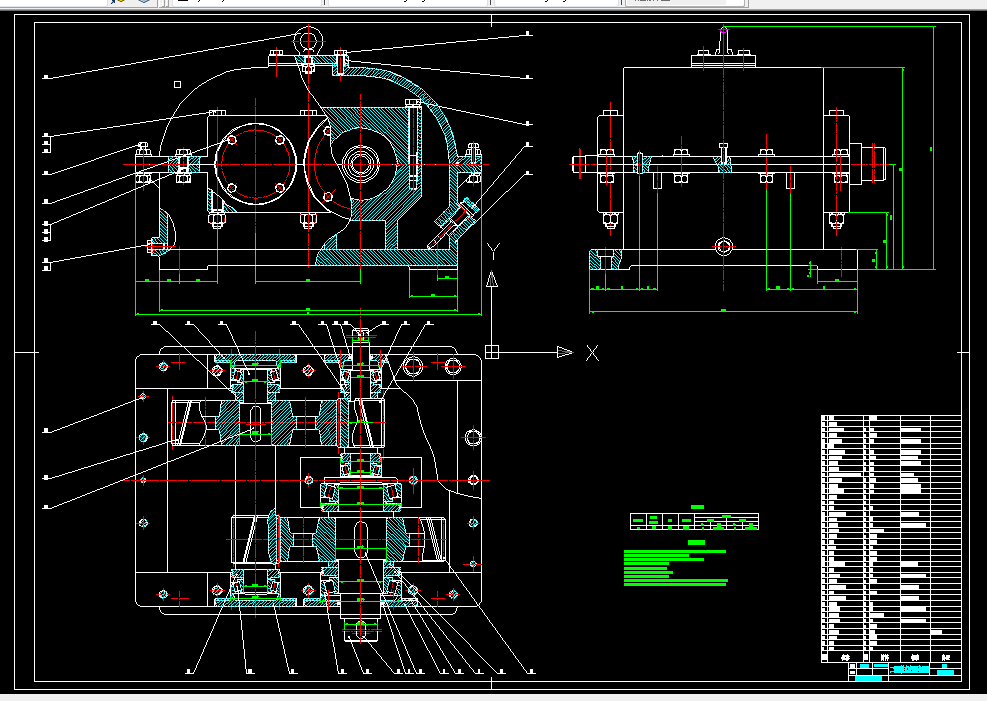
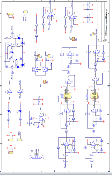
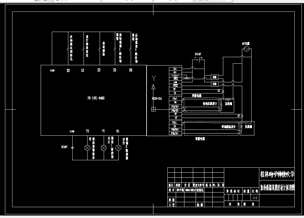
E467-热流道温度控制器研究与设计
E466-煤气超标自动开窗器的设计
E459-液压实验台用油净化装置的设计[含SW三维图]
E458-血氧脉搏仪设计
E457-星轮行星轮可爬楼梯式轮椅车设计
E456-新型微型拖拉机外观及主要部件结构设计
E455-基于智能机械按摩组合床垫设计[含SW三维图]
E454-基于UG系统圆柱直齿轮的二次开发
E453-基于AutoLisp轴类零件参数化绘图
E451-重型载货汽车驾驶室结构及其优化设计
E449-水果分选机分选部分设计
E448-手持式车用多功能吸尘器结构设计[含SW三维图]
E445-康复机器人的设计[含UG三维图]
E444-基于第二代小波变换的滚动轴承故障诊断方法与实验研究【含matlab程序】