

作品包括:
说明书一份,共39页,约5200字
CAD版本图纸,共3张
目 录
第一章 设计任务及认识 5
1.1 气动机械手控制设计任务 5
1.2 气动机械手控制设计课题的认识及现状 5
1.3 气动机械手控制课程设计的主要内容阐述 6
第二章 气动机械手控制设计总体方案 7
2.1 气动机械手控制设计总体方案 7
2.2 气动机械手控制设计流程(或详细设计阐述) 8
第三章 气动机械手控制气动系统设计 9
第四章 气动机械手控制硬件及选型设计 10
4.1 PLC型号选择 10
4.2 控制电路设计 10
4.3 PLC 输入和输出分配 11
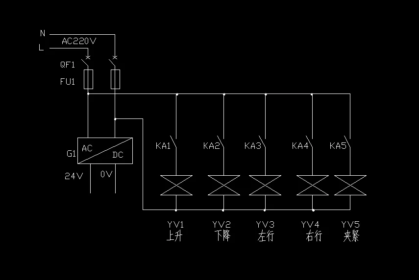
4.4 PLC 输入和输出接线图 12
第五章 气动机械手控制软件设计 13
5.1 PLC 内部使用地址 13
5.2 顺序功能图设计 13
5.3 PLC 梯形图程序 15
5.4 语句表程序 28
结 论 38
参 考 文 献 39
温馨提示:
1、题目前面的备注【字母数字编号】为本站整理分类的编号,与课题内容无关,请选题时忽视;
2、若题目上备注三维,则表示文件里包含三维源文件,由于三维组成零件数量较多,为保证预览截图的简洁性,本站将三维文件夹进行了打包。三维及CAD预览截图,均为本站电脑打开软件进行截图的,保证能够打开,下载原件超高清,下载后解压即可;
3、本站所有资源如无特殊说明,都需要本地电脑安装Office2007。图纸软件为AutoCAD,PROE,UG,SolidWorks,CATIA等;
4、本站所有图文资料仅供用户学习参考,不作为任何商用或其他用途;
5、本站不保证下载资源的准确性、安全性和完整性, 不包修改,不支持退换,同时也不承担用户因使用这些下载资源对自己和他人造成任何形式的伤害或损失;
6、 下载文件中如有侵权或不适当内容,请与我们联系,我们立即纠正。