

作品包括:
word版设计说明书一份,共73页,约20000字
CAD版本图纸,共7张
毕业设计任务书
毕业设计题目:仓库大门开闭机构设计
毕业设计专题题目:
毕业设计主要内容和要求:
设计仓库大门,实现两扇门的同步开闭。主要传动形式为链传动,通过电机正反转实现大门的开与闭。在大门的两个极限有行程开关触点,从而可以使大门自动停在固定位置。在停电时能够用手动方式打开。
要求:1.完成零号图纸总计三张
2.翻译英文文献,译成中文不少于3000字
3.摘要译成英文,不少于300字
4.说明书不少于70页
摘 要
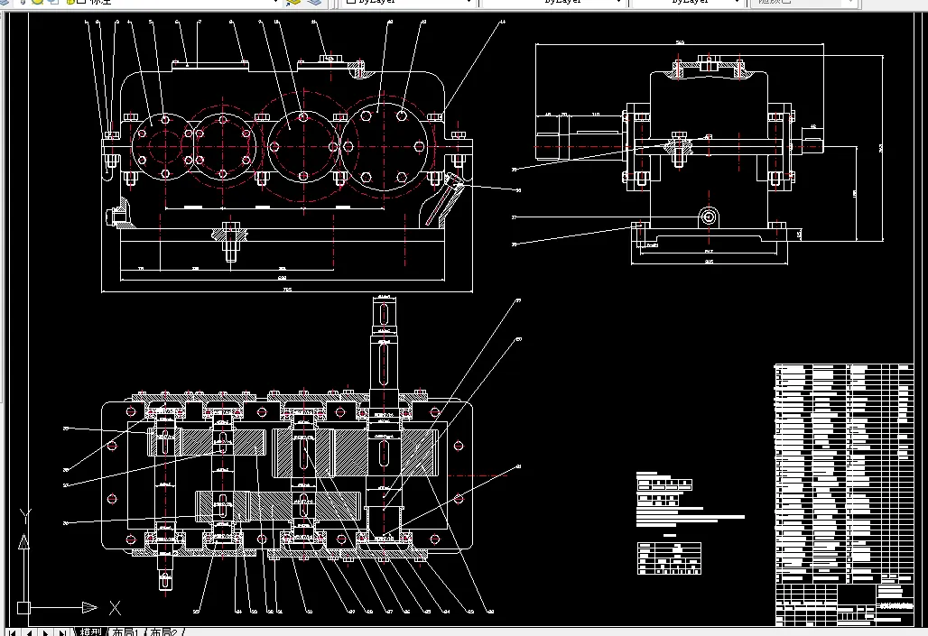
仓库大门主要是为了方便仓库内的贷物进出,为了达到此目的。此次设计中大门为对开式,每扇门宽4米、高6米,重900千克。大门开闭驱动方式为电机驱动,而且两扇门共用一个电机。电机带动一个圆柱直齿三级减速器,在减速器的输出轴上带链轮,大门的伸缩杆卡在链条的卡口内,当链轮转动时带动链运动从而使大门与链同步运动。为了使两个大门能实现同步开闭,在电机的输出轴上还带有一个齿轮,与另一扇门的链轮轴上同尺寸齿轮相啮合,使另一扇门的链轮与电机直接驱动的链轮转速相等而方向相反。门的开与闭由电机正反转控制。当大门开到极限位置时,会将大门导轨上的行程开关触点压开电机停止转动。整个机构中主要涉及的传动方式为链传动。由于每扇大门宽4米所以链传中系统中两个链轮的设计中心距为4.5米,为了防止中心距过大链产生下垂,采用增大中心距的办法对链进行张紧。而链轮轴都采用悬臂梁式轴,一端伸在预埋在墙上的钢板内,在轴表面车螺纹轴用螺母将其固定在钢板上。
关键词:链传动、 链张紧、 三级减速
目 录
1 绪论1
1.1 概述???????????????????????????????????????????????????????????????????????????????????1
1.2 链传动????????????????????????????????????????????????????????????????????????????????1
1.3 齿轮传动?????????????????????????????????????????????????????????????????????????????3
1.3.1 齿轮传动发展趋????????????????????????????????????????????????????????????????3
2 链传动部份的设计?????????????????????????????????????????????????????????????????????5
2.1 链的设计?????????????????????????????????????????????????????????????????????????????5
2.2 滚子链强度校核???????????????????????????????????????????????????????????????????7
3 减速机构的设计????????????????????????????????????????????????????????????????????????8
3.1 电机的选型??????????????????????????????????????????????????????????????????????????8
3.2 传动零件设计???????????????????????????????????????????????????????????????????????9
3.2.1 第一级传动??????????????????????????????????????????????????????????????????????9
3.2.2 第二级传动?????????????????????????????????????????????????????????????????????14
3.2.3 第三级传动?????????????????????????????????????????????????????????????????????19
3.3 轴的计算????????????????????????????????????????????????????????????????????????????24
3.3.1 高速轴????????????????????????????????????????????????????????????????????????????24
3.3.2 中间轴???????????????????????????????????????????????????????????????????????????28
3.3.3 中间轴???????????????????????????????????????????????????????????????????????????32
3.3.4 输出轴???????????????????????????????????????????????????????????????????????????36
3.4 滚动轴承的选择和计算????????????????????????????????????????????????????????40
3.5 键连接的计算?????????????????????????????????????????????????????????????????????43
3.6 减速器的润滑和密封形式?????????????????????????????????????????????????????45
3.7 减速器箱体、附件设计?????????????????????????????????????????????????????????47
3.8 出厂检验与试验??????????????????????????????????????????????????????????????????49
3.9 储运、安装、试动转、维护???????????????????????????????????????????????????51
3.10 试运转?????????????????????????????????????????????????????????????????????????????52
3.11 使用维护??????????????????????????????????????????????????????????????????????????53
4 链轮的具体尺寸设计???????????????????????????????????????????????????????????????54
4.1 整体尺寸???????????????????????????????????????????????????????????????????????????54
4.2 轴向齿廓及尺寸??????????????????????????????????????????????????????????????????55
5 链轮轴的设计与布置????????????????????????????????????????????????????????????????56
5.1 链条的竖直张紧与轴的设计??????????????????????????????????????????????????56
5.2 链轮的水平张紧与轴的设计??????????????????????????????????????????????????58
5.3 大门2的主动轮布置????????????????????????????????????????????????????????????59
结论??????????????????????????????????????????????????????????????????????????????????????????????61
参考文献??????????????????????????????????????????????????????????????????????????????????????62
翻译部分
英文原文??????????????????????????????????????????????????????????????????????????????64
中文译文??????????????????????????????????????????????????????????????????????????????69
致谢??????????????????????????????????????????????????????????????????????????????????????????????73
温馨提示:
1、题目前面的备注【字母数字编号】为本站整理分类的编号,与课题内容无关,请选题时忽视;
2、若题目上备注三维,则表示文件里包含三维源文件,由于三维组成零件数量较多,为保证预览截图的简洁性,本站将三维文件夹进行了打包。三维及CAD预览截图,均为本站电脑打开软件进行截图的,保证能够打开,下载原件超高清,下载后解压即可;
3、本站所有资源如无特殊说明,都需要本地电脑安装Office2007。图纸软件为AutoCAD,PROE,UG,SolidWorks,CATIA等;
4、本站所有图文资料仅供用户学习参考,不作为任何商用或其他用途;
5、本站不保证下载资源的准确性、安全性和完整性, 不包修改,不支持退换,同时也不承担用户因使用这些下载资源对自己和他人造成任何形式的伤害或损失;
6、 下载文件中如有侵权或不适当内容,请与我们联系,我们立即纠正。