

作品包括:
word版设计说明书一份,共77页,约35000字
任务书一份
翻译一份
CAD版本图纸,共7张
毕业设计任务书
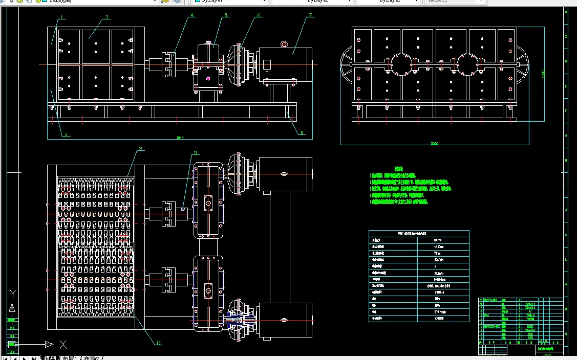
毕业设计题目: 2PGC—600×800型双齿辊破碎机设计
毕业设计专题题目:
毕业设计主要内容和要求:
综合毕业实习完成本项目的设计,并在设计前从图书馆、互联网查找、收集、整理有关齿辊式破碎机参数、设计资料。
破岩力:≤30KN
入料粒度: 300mm
出料粒度:70mm
处理量: 100t/h
齿辊转速:67r/min
1、根据有关资料计算、选择功率大小,完成液力联轴器选型,确定总体方案;
2、设计完成总图;
3、设计完成齿辊部件图的设计零件图设计;
4、编写完成整机设计计算说明书;
摘 要
随着现代煤炭企业的发展,煤的破碎作业的发展空间也相应提升,齿辊破碎机作为破碎设备之一,研究齿辊破碎机具有很重要的意义。本文通过对国内、外煤用破碎机的发展现状分析,通过一定的理论依据分析,针对煤炭特有的物理性质,和选煤中点破碎作业工艺发展特点,结合破碎理论开展了煤用粗碎双齿辊破碎机的设计。本文中讲述了三大破碎理论和现有破碎产品的发展现状,以及齿辊破碎机的工作原理;介绍了双齿辊破碎机的布局结构和设计原则;阐明了齿辊式破碎机的设计要点;并给出了齿辊破碎机的详细设计步骤,包括主要工作参数的计算、电机的选择、传动方案的选择、破碎辊的设计计算、减速器的设计计算、润滑和密封等;根据理论依据和实习时所获得的实践经验对各传动件进行了可靠性分析,做到齿辊破碎机的最优化设计。本文的设计计算主要是满足生产需求、入料粒度、出料粒度、生产能力。重点研究传动的设计和系统的优化。
关键字:双齿辊; 破碎机; 破碎理论;减速器; 同步; 液力联轴器
引 言 1
1 破碎机概述 2
1.1 破碎的目的 2
1.2 齿辊破碎机的特点和分类 2
1.3 齿辊破碎机的工作原理 3
1.4 双齿辊破碎机的基本构造 3
1.5 齿辊破碎机的主要部件 4
1.6 齿辊破碎机的发展状况 5
1.6.1 1990年以前的齿辊式破碎机 6
1.6.2 1990年以后的齿辊式破碎机 7
1.6.3 国外先进高效破碎机 8
1.6.4 结语 9
1.7 本设计的主要内容 9
2 总体设计 10
2.1 齿辊破碎机总体传动方案的确定 10
2.1.1 工艺参数和技术参数的确定和原则 10
2.1.2 传动方案的确定 11
2.1.3 功率计算及电机的选取 12
2.2 传动和减速系统的确定 12
2.2.1 总传动比及传动比分配 13
2.2.2 传动装置的运动参数的计算 13
3 传动系统设计计算 15
3.1减速器设计 15
3.1.1减速器高速级齿轮传动设计计算 15
3.1.2减速器低速级齿轮传动设计计算 18
3.1.3轴的设计计算 22
4 液力偶合器的介绍及选型 36
4.1液力偶合器的优点 36
4.2液力联耦合的分类 37
4.2.1普通型液力耦合器 37
4.2.2限矩型液力耦合器 38
4.2.3调速型液力耦合器 39
4.2.4确定型号 40
5 联轴器的选择 42
6 齿辊的设计 42
6.1 齿辊型式 42
6.2 辊齿结构 43
6.3 辊齿排列的方法 45
6.4 齿辊轴 45
6.4.1 齿辊轴的受力分析 45
6.4.2 齿辊主轴与破碎机罩体间的密封 52
7 齿辊破碎机的润滑 53
7.1 齿轮减速器的润滑 53
7.2 齿辊部件的润滑 53
8 破碎机的安装与使用 54
8.1 安装 54
8.2 使用与维护 55
9 结论 55
参考文献 57
翻译部分 58
英文原文 58
中文译文 75
致 谢 91
温馨提示:
1、题目前面的备注【字母数字编号】为本站整理分类的编号,与课题内容无关,请选题时忽视;
2、若题目上备注三维,则表示文件里包含三维源文件,由于三维组成零件数量较多,为保证预览截图的简洁性,本站将三维文件夹进行了打包。三维及CAD预览截图,均为本站电脑打开软件进行截图的,保证能够打开,下载原件超高清,下载后解压即可;
3、本站所有资源如无特殊说明,都需要本地电脑安装Office2007。图纸软件为AutoCAD,PROE,UG,SolidWorks,CATIA等;
4、本站所有图文资料仅供用户学习参考,不作为任何商用或其他用途;
5、本站不保证下载资源的准确性、安全性和完整性, 不包修改,不支持退换,同时也不承担用户因使用这些下载资源对自己和他人造成任何形式的伤害或损失;
6、 下载文件中如有侵权或不适当内容,请与我们联系,我们立即纠正。