

作品包括:
word说明书一份,共35页,约13000字
任务书一份
开题报告一份
CAD版本图纸,共7张
摘 要
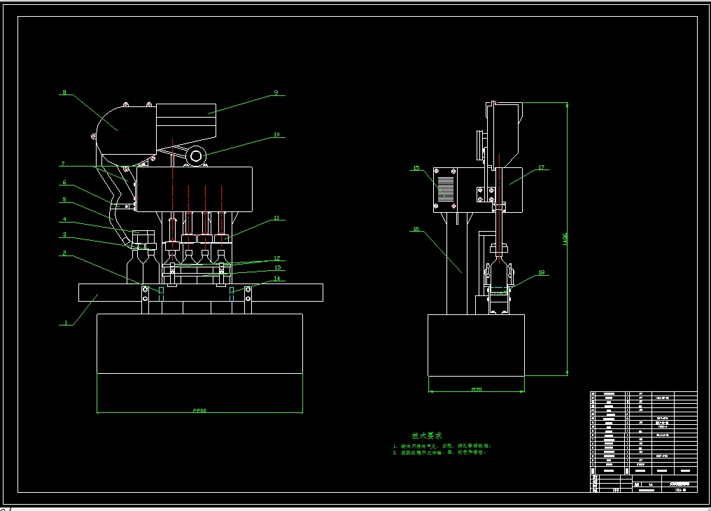
本文主要介绍轻型汽车后桥油封安装压入机的结构设计头。本机由床身、压装机构、输送机构、接件机构、气动系统、电气系统六大部分组成。该机为框架式结构,动力驱动方式为气动与液压传动,并靠电气系统进行控制。本实用新型的有益效果是:使用PLC控制,半自动化处理,劳动强度低,工作效率高,操作简易,普通操作人员简单培训及可上岗。人工操作失误具有自动声光报警提示。设备噪音低,安全可靠。一套动力设备可完成两个动作,具有联动功能,节约动力设备,节省成本。本设备主要用于汽车后桥两端部油封的自动压装及后桥的输送,采用本设备自动压装油封克服人力手工压装的不足,从而减轻了工人的劳动强度,提高产品压装油封的生产效率及质量。
关键词: 压入机;气动传动;液压传动;PLC控制
目 录
摘要 I
Abstract II
第1章 绪论 1
1.1 选题的目的和意义 2
1.2 国内外的研究现状 2
1.3 设计研究的主要内容 1
第2章 后桥油封压入机的总体方案设计 4
2.1 设备用途 4
2.2 适用条件 4
2.3规格及性能 4
2.4 结构形式 4
2.5 工作原理 5
2.6后桥油封轴向压入力的计算 6
2.6.1轴向压入力的分析 7
2.6.2轴向压入力的计算 7
2.7 本章小结 7
第3章 用Auto CAD和CATIA设计机械装配图 8
3.1主要零件的Auto CAD图 9
3.1.1支座 9
3.1.2挡块 9
3.1.3挡块 9
3.2主要零件的CATIA图 10
3.2.1油封压入装置 11
3.2.2工作台 12
3.2.3后桥V型支座 13
3.3本章小结 13
第4章 电机驱动与控制部分的设计 14
4.1控制对象状态确定 14
4.2控制方案的设计与选择 14
4.3硬件电路的设计 14
4.3.1进步电机驱动电路设计 14
4.3.2 计数方式的选择 16
4.3.3 显示电路设计 16
4.3.4 单片机电源电路的设计 16
4.4 PC、PLC、PT的通讯 17
4.5电气原理图 19
4.6本章小结 19
第5章 设备的安装调整及保养与检测 21
5.1安装 21
5.2调整 21
5.2.1压装机构调整 21
5.2.2夹紧松开缸调整 22
5.3试车运行与操作 23
5.3.1试车运行 23
5.3.2操作 23
5.3.3运行 24
5.4操作事项 25
5.5保养与维修 26
5.6故障与排除 27
5.7触摸屏(PT)工艺流程图 28
5.8本章小结 28
结论 29
参考文献 30
致谢 31
温馨提示:
1、题目前面的备注【字母数字编号】为本站整理分类的编号,与课题内容无关,请选题时忽视;
2、若题目上备注三维,则表示文件里包含三维源文件,由于三维组成零件数量较多,为保证预览截图的简洁性,本站将三维文件夹进行了打包。三维及CAD预览截图,均为本站电脑打开软件进行截图的,保证能够打开,下载原件超高清,下载后解压即可;
3、本站所有资源如无特殊说明,都需要本地电脑安装Office2007。图纸软件为AutoCAD,PROE,UG,SolidWorks,CATIA等;
4、本站所有图文资料仅供用户学习参考,不作为任何商用或其他用途;
5、本站不保证下载资源的准确性、安全性和完整性, 不包修改,不支持退换,同时也不承担用户因使用这些下载资源对自己和他人造成任何形式的伤害或损失;
6、 下载文件中如有侵权或不适当内容,请与我们联系,我们立即纠正。