

作品包括:
word说明书一份,共70页,约23000字
任务书一份
开题报告一份
CAD版本图纸,共7张
摘 要
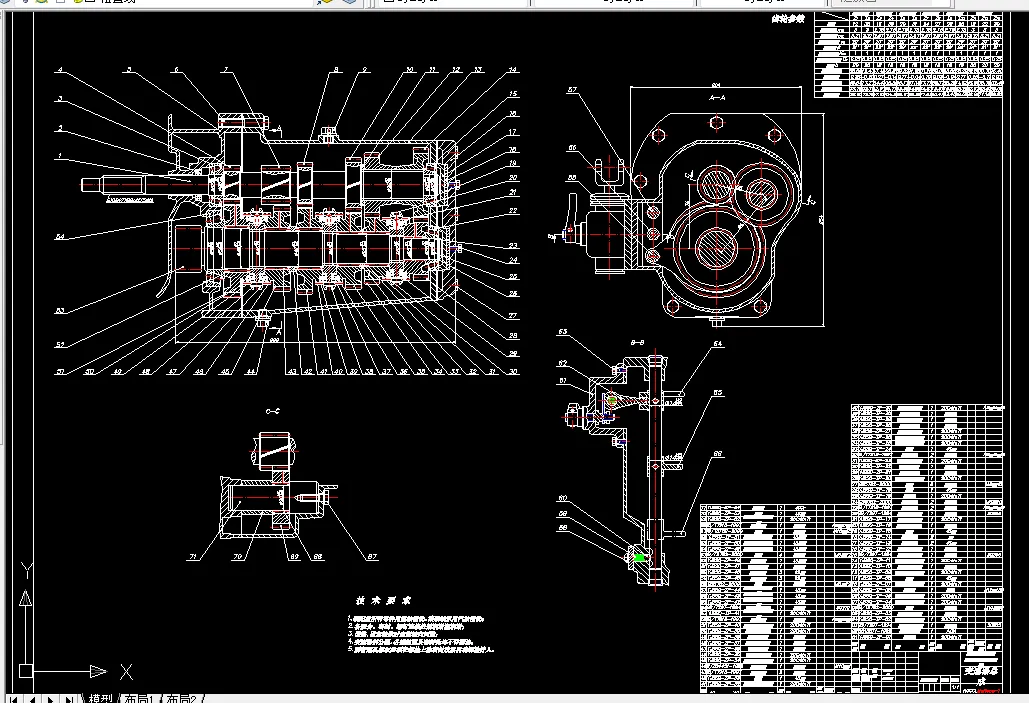
在汽车行驶时的动力传递过程中,变速器是其中的重要环节。汽车变速器是汽车传动系统的主要组成部分,主要作用是将发动机的转矩经过改变后传递给主减速器,最终将动力有效而经济地传至驱动车轮,以满足汽车的使用要求。设置空档用来中断动力传递,设置倒档,使汽车能够倒退行驶。
本设计以现有企业正在生产的远舰汽车变速器为基础,在给定发动机输出转矩、转速及最高车速、总质量、车轮滚动半径等条件下,着重对变速器齿轮的结构参数、轴的结构尺寸等进行设计计算;并对变速器的传动方案和结构形式进行设计;同时对操纵机构和同步器的结构进行设计;从而提高汽车的整体性能。
文中对变速器的主要参数进行验证,包括齿轮强度的校核、变速器轴强度和刚度的校核、轴承寿命的验算等,计算结果表明整体性能满足要求。
关键词:两轴式;变速器;齿轮;同步器;设计;校核
目 录
摘要 I
ABSTRACT II
第1章 绪论 1
1.1 概述 1
1.1.1 汽车变速器的设计要求 1
1.1.2 国内外汽车变速器的发展现状 2
1.2 设计的内容及方法 2
第2章 变速器传动机构与操纵机构方案选择 4
2.1 变速器传动机构布置方案 4
2.1.1 变速器传动方案分析与选择 4
2.1.2 倒档布置方案 4
2.1.3 零部件结构方案分析 5
2.2 变速器操纵机构布置方案 7
2.2.1 概述 7
2.2.2 典型的操纵机构及其锁定装置 8
2.3 本章小结 10
第3章 变速器传动机构的设计与计算 11
3.1 变速器主要参数的选择 11
3.1.1 档数 11
3.1.2 传动比范围 11
3.1.3 变速器各档传动比的确定 11
3.1.4 中心距的选择 14
3.1.5 变速器的外形尺寸 15
3.1.6 齿轮参数的选择 15
3.1.7 各档齿轮齿数的分配及传动比的计算 16
3.1.8 变速器齿轮的变位 19
3.2 变速器齿轮强度校核 23
3.2.1 齿轮材料的选择原则 23
3.2.2 变速器齿轮弯曲强度校核 23
3.2.3 轮齿接触应力校核 27
3.2.4 倒档齿轮的校核 31
3.3 轴的结构和尺寸设计 32
3.3.1 轴的工艺要求 33
3.3.2 初选轴的直径 33
3.3.3 轴最小直径的确定 34
3.4 轴的强度验算 35
3.4.1 轴的刚度计算 35
3.4.2 轴的强度计算 42
3.5 轴承选择与寿命计算 48
3.5.1 输入轴轴承的选择与寿命计算 49
3.5.2 输出轴轴承的选择与寿命计算 52
3.6 本章小结 53
第4章 变速器同步器及操纵机构的设计 54
4.1 同步器 54
4.1.1 同步器工作原理 54
4.1.2 惯性式同步器 54
4.1.3 锁环式同步器主要尺寸的确定 56
4.1.4 主要参数的确定 56
4.2 操纵机构 59
4.2.1 概述 59
4.2.2 典型操纵换档机构 59
4.3 变速器壳体 60
4.4 本章小结 60
结论 61
参考文献 62
致谢 63
附录A1 64
附录A2 67
温馨提示:
1、题目前面的备注【字母数字编号】为本站整理分类的编号,与课题内容无关,请选题时忽视;
2、若题目上备注三维,则表示文件里包含三维源文件,由于三维组成零件数量较多,为保证预览截图的简洁性,本站将三维文件夹进行了打包。三维及CAD预览截图,均为本站电脑打开软件进行截图的,保证能够打开,下载原件超高清,下载后解压即可;
3、本站所有资源如无特殊说明,都需要本地电脑安装Office2007。图纸软件为AutoCAD,PROE,UG,SolidWorks,CATIA等;
4、本站所有图文资料仅供用户学习参考,不作为任何商用或其他用途;
5、本站不保证下载资源的准确性、安全性和完整性, 不包修改,不支持退换,同时也不承担用户因使用这些下载资源对自己和他人造成任何形式的伤害或损失;
6、 下载文件中如有侵权或不适当内容,请与我们联系,我们立即纠正。