

作品包括:
Word版说明书1份,共33页,约6900字
西门子S7-200 PLC程序一份
CAD版本图纸,共2张
IO分配

摘 要
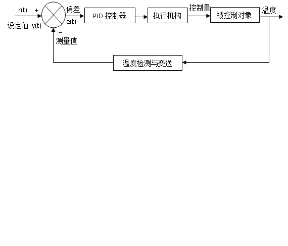
本设计是基于PLC的锅炉温度控制系统的设计,采用了西门子S7-200小型PLC为控制核心,通过温度传感器检测锅炉温度,与设定的温度进行比较,通过参数设定,PLC内部进行PID运算,PID输出控制固态继电器,然后固态继电器控制加热器,控制温度稳定在设定温度附近。通过分析控制要求,进行总体方案设计,进行理论分析,进行硬件和软件设计,设计主电路和控制电路,设计控制流程图,设计梯形图和语句表程序。系统具有短路过流保护,过载保护,急停保护,温度过高显示,温度过低显示,温度合适显示灯功能,系统设计安全可靠,简单有效,达到了预期的设计目的。
关键词:锅炉,温度控制,梯形图
目 录
摘 要 II
ABSTRACT III
第1章 绪论 5
1.1 课题的背景、目的和意义 5
1.2 课题研究现状及发展趋势 5
1.3 课题研究内容和思路 6
第2章 锅炉温度控制理论 7
2.1 系统控制回路设计 7
2.2 西门子PID向导 7
第3章 总体设计 12
3.1 控制要求 12
3.2 设计方案 12
第4章 硬件软件设计 13
4.1 PLC选择 13
4.2 主电路和控制电路设计 13
4.3 PLC输入和输出分配 14
4.4 PLC输入和输出接线图 14
4.5 PLC内部使用地址 15
4.6 流程图设计 16
4.7 PLC梯形图程序 17
4.8 语句表程序 22
第5章 总结和展望 26
参考文献 27
致 谢 28
附 录 29
附录1 电气原理图 29
附录2 梯形图汇总 30
温馨提示:
1、题目前面的备注【字母数字编号】为本站整理分类的编号,与课题内容无关,请选题时忽视;
2、若题目上备注三维,则表示文件里包含三维源文件,由于三维组成零件数量较多,为保证预览截图的简洁性,本站将三维文件夹进行了打包。三维及CAD预览截图,均为本站电脑打开软件进行截图的,保证能够打开,下载原件超高清,下载后解压即可;
3、本站所有资源如无特殊说明,都需要本地电脑安装Office2007。图纸软件为AutoCAD,PROE,UG,SolidWorks,CATIA等;
4、本站所有图文资料仅供用户学习参考,不作为任何商用或其他用途;
5、本站不保证下载资源的准确性、安全性和完整性, 不包修改,不支持退换,同时也不承担用户因使用这些下载资源对自己和他人造成任何形式的伤害或损失;
6、 下载文件中如有侵权或不适当内容,请与我们联系,我们立即纠正。