

作品包括:
Word版说明书1份,共26页,10000字
任务书一份
CAD版本图纸,共10张

摘要
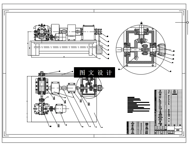
搅拌混合设备是一种流体机械产品,种类繁多、应用广泛,覆盖了化工、建筑、医药、食品、涂料等诸多行业,发挥着重要作用。随着社会的发展各行各业对搅拌效率的要求越来越高,希望采用高效率低成本的搅拌设备,这就要求获得搅拌器在不同工况参数下的搅拌数据并对其进行分析,得到合适的设备参数,对高效率搅拌器的设计提供依据。
本次设计的是一种实验室数据采集型搅拌器,采用了变频调速电机实现大范围的转速调节,采用行程600mm的升降装置实现搅拌深度的调节,通过力矩传感器获得实验中不同转速、不同搅拌深度和不同搅拌溶液时的电机转速与扭矩数据。搅拌器的主要设计内容包括:电动机的功率计算与选型、主轴的设计、轴承的选娶桨叶的设计和机架的结构设计。
关键词:搅拌设备;搅拌器;电动机;实验装置
目录
摘要I
ABSTRACT II
第一章绪论1
1.1课题的目的、意义1
1.2搅拌器发展现状1
1.2.1国内发展现状1
1.2.2国外发展现状2
1.2.3搅拌器发展趋势3
第二章总体设计5
2.1设计方案5
2.1.1技术要求5
2.1.2设计课题所满足的要求5
2.2搅拌轴功率的计算7
2.3电机与减速器的选择8
第三章搅拌轴的计算9
3.1搅拌轴的最小直径9
3.1.1轴的材料9
3.1.2搅拌轴的计算9
3.1.3搅拌轴的形位公差和表面粗糙度要求10
3.2轴的结构设计11
3.2.1拟定轴上零件的装配方案11
3.2.2确定轴的各段长度11
3.3联轴器的选择14
第四章支架的设计16
4.1材料的选择16
4.2支架尺寸的确定16
4.2.1升降部分16
4.2.2搅拌作业部分17
4.2.3动力装置固定部分17
4.3总体装配17
第五章总结19
致谢20
参考文献21
温馨提示:
1、题目前面的备注【字母数字编号】为本站整理分类的编号,与课题内容无关,请选题时忽视;
2、若题目上备注三维,则表示文件里包含三维源文件,由于三维组成零件数量较多,为保证预览截图的简洁性,本站将三维文件夹进行了打包。三维及CAD预览截图,均为本站电脑打开软件进行截图的,保证能够打开,下载原件超高清,下载后解压即可;
3、本站所有资源如无特殊说明,都需要本地电脑安装Office2007。图纸软件为AutoCAD,PROE,UG,SolidWorks,CATIA等;
4、本站所有图文资料仅供用户学习参考,不作为任何商用或其他用途;
5、本站不保证下载资源的准确性、安全性和完整性, 不包修改,不支持退换,同时也不承担用户因使用这些下载资源对自己和他人造成任何形式的伤害或损失;
6、 下载文件中如有侵权或不适当内容,请与我们联系,我们立即纠正。