

作品包括:
Word版说明书1份,共88页,约31000字
外文翻译一份
CAD版本图纸,共11张

摘要
为改进传统煎饼制作工艺,设计一种新型煎饼机械,代替传统手工作业,实现煎饼工业化生产。履带式压饼机工作效率极高,全自动的工作形式可以减少极多的手工作业的诸多缺点,对压饼的推广和发展。本次设计从模具的设计及放置,涂油机构,喂料机构,压饼输出及模饼分离装置,到整体机床的设计都有涉及。且包括机械部分以及电路部分。压饼机构主要由履带带动圆槽,在履带中间可以安放加热装置。电气部分主要是加热装置的控制。使之能实现自动涂抹油层、自动喂料、并自动压饼和成品的垂直输出,并实现温度的自动控制。
关键词煎饼;全自动;涂油;喂料;卸料
目录
摘要I
abstract II
1压饼机概述以及生产应用中的意义1
2国内外研究现状及研究趋势2
2.1国内外研究现状2
2.2研究趋势2
3本课题主要设计内容2
4方案的拟定及选择3
4.1方案一: 3
4.1.1基本结构及工作原理3
4.1.2关键结构设计要点4
4.1.3基本特点6
4.2方案二6
4.2.1基本结构及工作原理6
4.2.2关键结构设计要点7
4.3方案对比10
5系统运动方案设计10
5.1方案要求10
5.1.1功能要求10
5.1.2设计提供的原始数据资料11
5.2传动装置的总体设计11
5.2.1电动机选取11
5.2.2传动系统的确定11
5.2.3减速机选型12
5.2.4传动系统确定12
6减速机构——下履带二级圆柱齿轮减速器的设计12
6.1运动参数和动力参数计算13
6.1.1各轴转速计算13
6.1.2各轴输入功率14
6.1.3各轴输入转矩14
7齿轮传动设计15
7.1高速级齿轮传动设计计算15
7.1.1选定齿轮的类型、精度等级、材料15
7.1.2按齿面接触强度设计计算16
7.1.3齿根弯曲强度校核18
7.1.4几何尺寸计算19
7.2低速级齿轮传动设计计算20
7.2.1选定齿轮的类型、精度等级、材料20
7.2.2按齿面接触强度设计计算20
7.2.3齿根弯曲强度校核23
7.2.4几何尺寸计算24
7.3高速轴的设计25
7.3.1轴的材料和热处理方式25
7.3.2初步确定轴的最小直径25
7.3.3初选轴承26
7.3.4轴的结构设计26
7.3.5 1轴强度校核27
7.3.6按弯扭合成应力校核轴的强度31
7.4中间轴的设计32
7.4.1轴的材料和热处理方式32
7.4.2初步确定轴的最小直径32
7.4.3轴的结构设计32
7.4.4轴上零件的周向定位33
7.4.5 2轴强度校核33
7.4.6按弯扭合成应力校核轴的强度36
7.4.7 2轴上轴承的寿命校核36
7.5低速轴的设计37
7.5.1轴的材料和热处理方式37
7.5.2初步确定轴的最小直径37
7.5.3轴的结构设计37
7.5.4轴上零件的周向定位38
7.5.5 2轴强度校核38
7.5.6按弯扭合成应力校核轴的强度41
7.5.7 2轴上轴承的寿命校核41
7.6各键的校核42
7.6.1高速轴键的设计与校核: 42
8下履带减速器机体结构尺寸如下43
9链轮链条计算44
9.1选择链轮齿数44
9.2确定计算功率45
9.3计算链速υ,确定润滑方式45
9.4计算压轴力Fp 45
8.5选定齿轮的类型,精度等级,材料及齿数45
9.6按齿面接触强度设计46
9.6.1确定公式内的各计算数值46
9.6.2计算47
9.6.3按齿根弯曲强度设计48
9.6.4确定公式内的各计算数值48
9.6.5设计计算49
9.6.6几何尺寸的计算49
9.6.7链齿轮计算50
10上下履带链轮传动部分的设计和计算50
10.1滚筒主动轴的设计50
10.1.1轴的材料和热处理方式50
10.1.2初步确定轴的最小直径50
10.1.3轴的结构设计51
10.1.4滚筒主动轴强度校核51
10.1.6按弯扭合成应力校核轴的强度54
10.1.7滚筒主动轴上轴承的寿命校核54
10.2从滚筒轴设计55
10.2.1从动轴承的计算55
10.2.2从动轴承的校核56
10.2.2从动轴设计57
10.3滚筒选择58
10.3.1滚筒外径确定58
10.3.1滚筒内径及壁厚确定59
11输出轴联轴器的选择60
12减速器的各部位附属零件的设计60
12.1窥视孔盖与窥视孔60
12.2放油螺塞60
12.3油标60
12.4通气器61
12.5启盖螺钉61
12.6定位销61
12.7环首螺钉、吊环和吊钩61
12.8调整垫片61
12.9密封装置61
13润滑方式的确定62
14执行机构设计62
14.1总体结构组成及其工作原理62
14.2传动机构设计63
14.3执行机构设计63
14.3.1涂抹油层动作63
14.3.2模具放置装置63
14.3.3模具64
14.3.4压饼过程加热板支撑平台机构64
14.3.5喂料机构65
14.3.6成品输出及模饼分离机构: 65
14.3.7加热区域组件的设计66
15其他要点设计66
15.1温度控制设计66
15.2润滑方式设计66
16电气控制方案设计67
16.1电气控制技术的发展67
16.2电气控制系统68
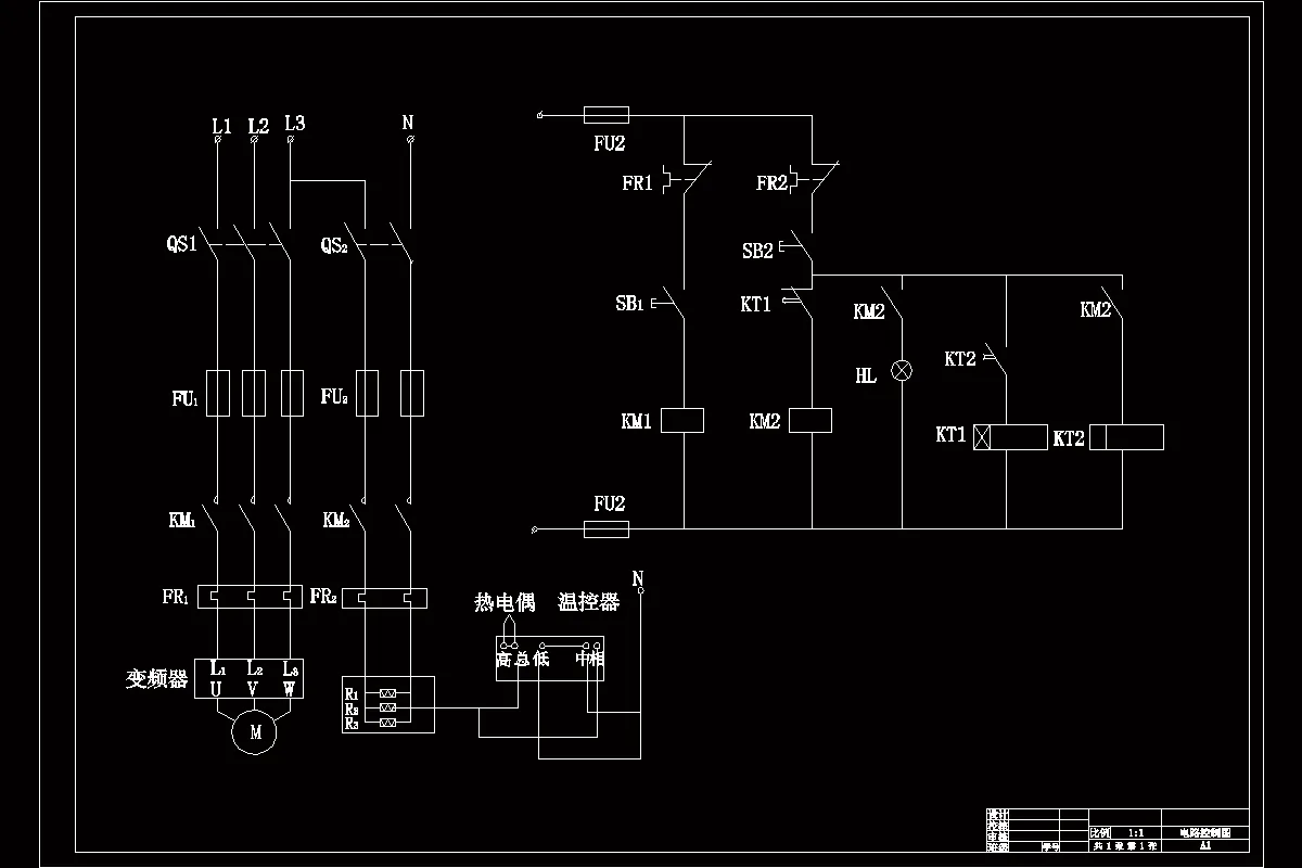
16.2.1电气控制图69
16.2.2电气设备接线图70
3.2.3电气设备位置图71
16.3低压配电柜的概述71
16.4电气方案的确定71
17电器元件的介绍和选择73
17.1刀开关73
17.2熔断器74
17.3接触器74
17.4热继电器75
17.5时间继电器76
17.6加热管77
17.7温控器78
17.8变频器78
参考文献81
致谢90
温馨提示:
1、题目前面的备注【字母数字编号】为本站整理分类的编号,与课题内容无关,请选题时忽视;
2、若题目上备注三维,则表示文件里包含三维源文件,由于三维组成零件数量较多,为保证预览截图的简洁性,本站将三维文件夹进行了打包。三维及CAD预览截图,均为本站电脑打开软件进行截图的,保证能够打开,下载原件超高清,下载后解压即可;
3、本站所有资源如无特殊说明,都需要本地电脑安装Office2007。图纸软件为AutoCAD,PROE,UG,SolidWorks,CATIA等;
4、本站所有图文资料仅供用户学习参考,不作为任何商用或其他用途;
5、本站不保证下载资源的准确性、安全性和完整性, 不包修改,不支持退换,同时也不承担用户因使用这些下载资源对自己和他人造成任何形式的伤害或损失;
6、 下载文件中如有侵权或不适当内容,请与我们联系,我们立即纠正。