

作品包括:
Word版说明书1份,共24页,约7500字
CAD版本图纸,共5张

目录
1绪论2
1.1研究背景2
1.2国内研究现状2
1.2.1一种新型橡胶管切割机2
1.2.2一种快速切割胶管的机械装置3
1.3国外研究现状5
1.3.1一种新型橡胶管切割机机构5
1.3.2一种全自动橡胶管切割机5
1.4研究主要内容6
1.5研究主要方法7
2总体方案确定8
2.1确定整体机械方案8
2.2结构设计8
2.2.1砂轮片的选取8
2.2.2电机的选取8
2.2.3选择电动机类型9
2.2.4确定电机工作时的功率10
2.2.5确定电动机的转速10
2.3带传动设计11
2.4升降气缸的选择14
2.5滚动轴承的选取及校核16
2.6夹紧部分设计18
2.6.1方案设计18
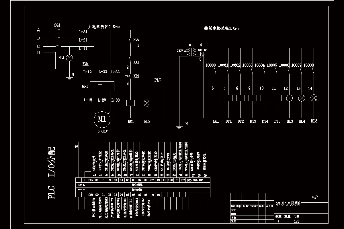
3电气控制线路的设计20
3.1电气控制线路设计的一般要求20
3.2气动原理图设计20
结论22
参考文献23
致谢24
温馨提示:
1、题目前面的备注【字母数字编号】为本站整理分类的编号,与课题内容无关,请选题时忽视;
2、若题目上备注三维,则表示文件里包含三维源文件,由于三维组成零件数量较多,为保证预览截图的简洁性,本站将三维文件夹进行了打包。三维及CAD预览截图,均为本站电脑打开软件进行截图的,保证能够打开,下载原件超高清,下载后解压即可;
3、本站所有资源如无特殊说明,都需要本地电脑安装Office2007。图纸软件为AutoCAD,PROE,UG,SolidWorks,CATIA等;
4、本站所有图文资料仅供用户学习参考,不作为任何商用或其他用途;
5、本站不保证下载资源的准确性、安全性和完整性, 不包修改,不支持退换,同时也不承担用户因使用这些下载资源对自己和他人造成任何形式的伤害或损失;
6、 下载文件中如有侵权或不适当内容,请与我们联系,我们立即纠正。