

作品包括:
Word版说明书1份,共22页
任务书一份
开题报告一份
PPT答辩一份
CAD版本图纸,共7张
SW三维图一套
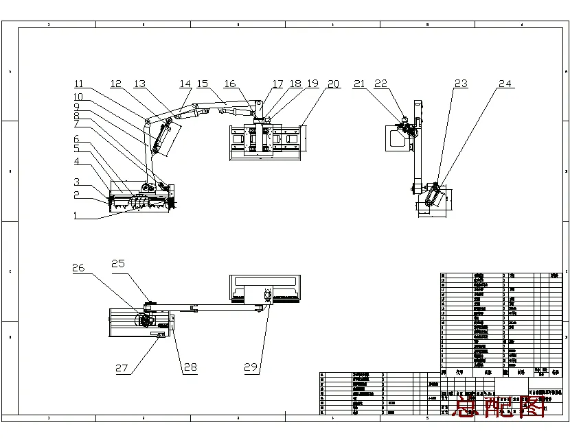
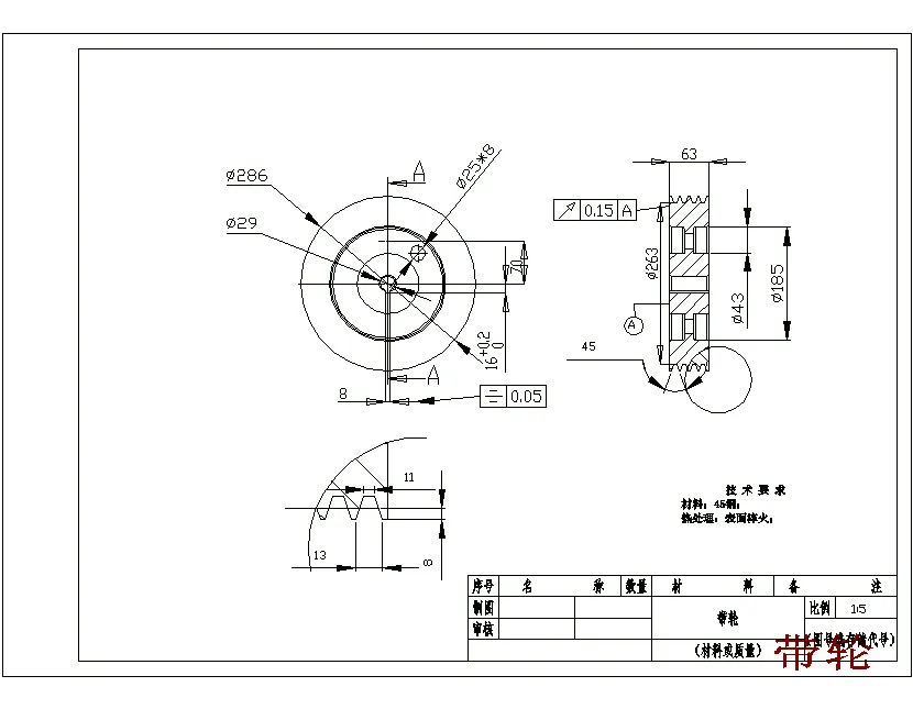
可自动避障草坪修剪机构设计含7张CAD图及设计计算。本文首先草坪修剪的技术要求,对比了包括滚刀、旋刀、甩刀,根据工况、作业时间、修剪幅度、力度等分析其在草坪修剪中的优缺点。之后简单设计了可自动避障原理,运用电液比例阀的工作原理,实现剪草机械的可自动避障。之后设计了剪草机的动力系统及承载平台,结合机械设计手册简要设计了液压系统的传动、导轨平台、及剪草机的动力输出。最终设计优化承载平台,提出承载平台的多功用性,可对不同的路政机械进行安装组合。
温馨提示:
1、题目前面的备注【字母数字编号】为本站整理分类的编号,与课题内容无关,请选题时忽视;
2、若题目上备注三维,则表示文件里包含三维源文件,由于三维组成零件数量较多,为保证预览截图的简洁性,本站将三维文件夹进行了打包。三维及CAD预览截图,均为本站电脑打开软件进行截图的,保证能够打开,下载原件超高清,下载后解压即可;
3、本站所有资源如无特殊说明,都需要本地电脑安装Office2007。图纸软件为AutoCAD,PROE,UG,SolidWorks,CATIA等;
4、本站所有图文资料仅供用户学习参考,不作为任何商用或其他用途;
5、本站不保证下载资源的准确性、安全性和完整性, 不包修改,不支持退换,同时也不承担用户因使用这些下载资源对自己和他人造成任何形式的伤害或损失;
6、 下载文件中如有侵权或不适当内容,请与我们联系,我们立即纠正。