

作品包括:
Word版说明书1份,共33页
任务书一份
开题报告一份
PPT答辩一份
CAD版本图纸,共13张
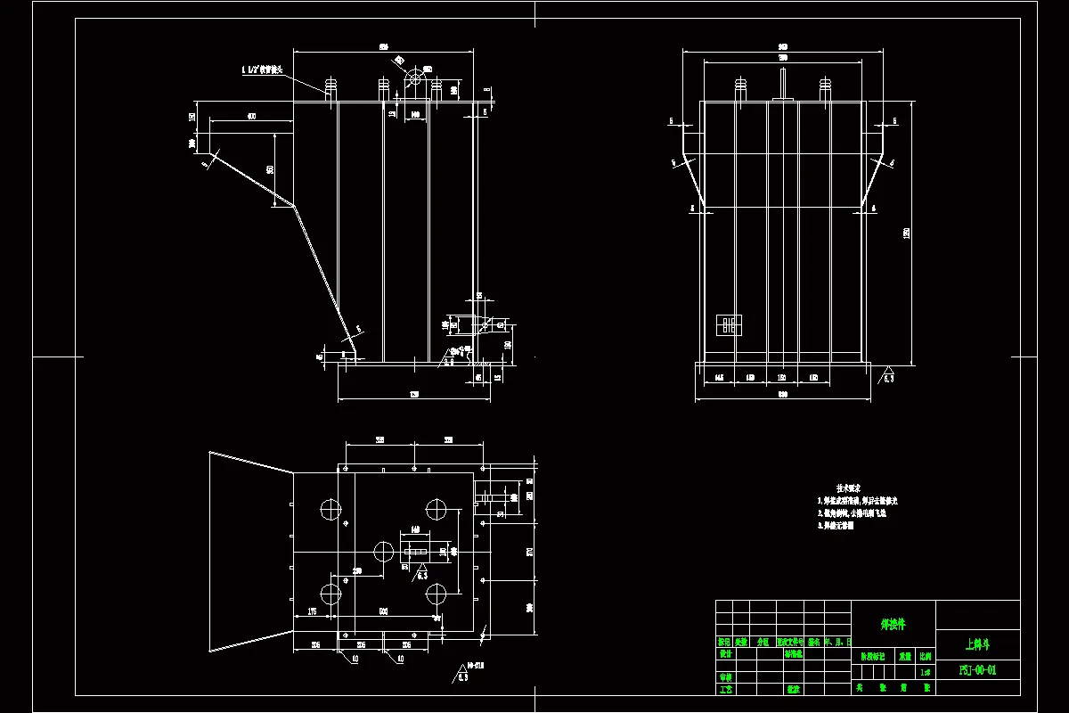
硬塑料破碎机的设计含13张CAD图,主要研究的对象是硬塑料破碎机,开始做之前查阅了很多的相关资料,对破碎机工作的原理还有类型,特征都进行了一个初步的了解,这样后期在进行设计的时候,还有算相关数据的时候心中都做到有数。通过硬塑料破碎机总体方案的选择与确定,对总体方案中涉及到的主要零部件进行设计和校核。对标准件进行选择与确定。最后,通过AUTOCAD绘图软件,对装配图及主要零部件图进行绘制和二次优化。
温馨提示:
1、题目前面的备注【字母数字编号】为本站整理分类的编号,与课题内容无关,请选题时忽视;
2、若题目上备注三维,则表示文件里包含三维源文件,由于三维组成零件数量较多,为保证预览截图的简洁性,本站将三维文件夹进行了打包。三维及CAD预览截图,均为本站电脑打开软件进行截图的,保证能够打开,下载原件超高清,下载后解压即可;
3、本站所有资源如无特殊说明,都需要本地电脑安装Office2007。图纸软件为AutoCAD,PROE,UG,SolidWorks,CATIA等;
4、本站所有图文资料仅供用户学习参考,不作为任何商用或其他用途;
5、本站不保证下载资源的准确性、安全性和完整性, 不包修改,不支持退换,同时也不承担用户因使用这些下载资源对自己和他人造成任何形式的伤害或损失;
6、 下载文件中如有侵权或不适当内容,请与我们联系,我们立即纠正。