

作品包括:
Word版说明书1份,共41页
CAD版本图纸,共12张

研究目的:
设计多功能液压抽油机的液压系统,驱动抽油机完成多功能作业。与山河智能机械股份有限公司校企合作。学生在生产现场做设计,全面提高综合设计能力,工程实践能力。
主要内容:
1、对抽油机进行结构分析。
2、设计抽油机工作装置的液压系统。
3、绘制抽油机的液压系统原理图。
目录
1前言………………………………………………………………………………………1
1.1可急回抽油机简介……………………………………………………………………1
1.2国内外研究现状及发展动态…………………………………………………………2
1.3本设计的研究内容……………………………………………………………………5
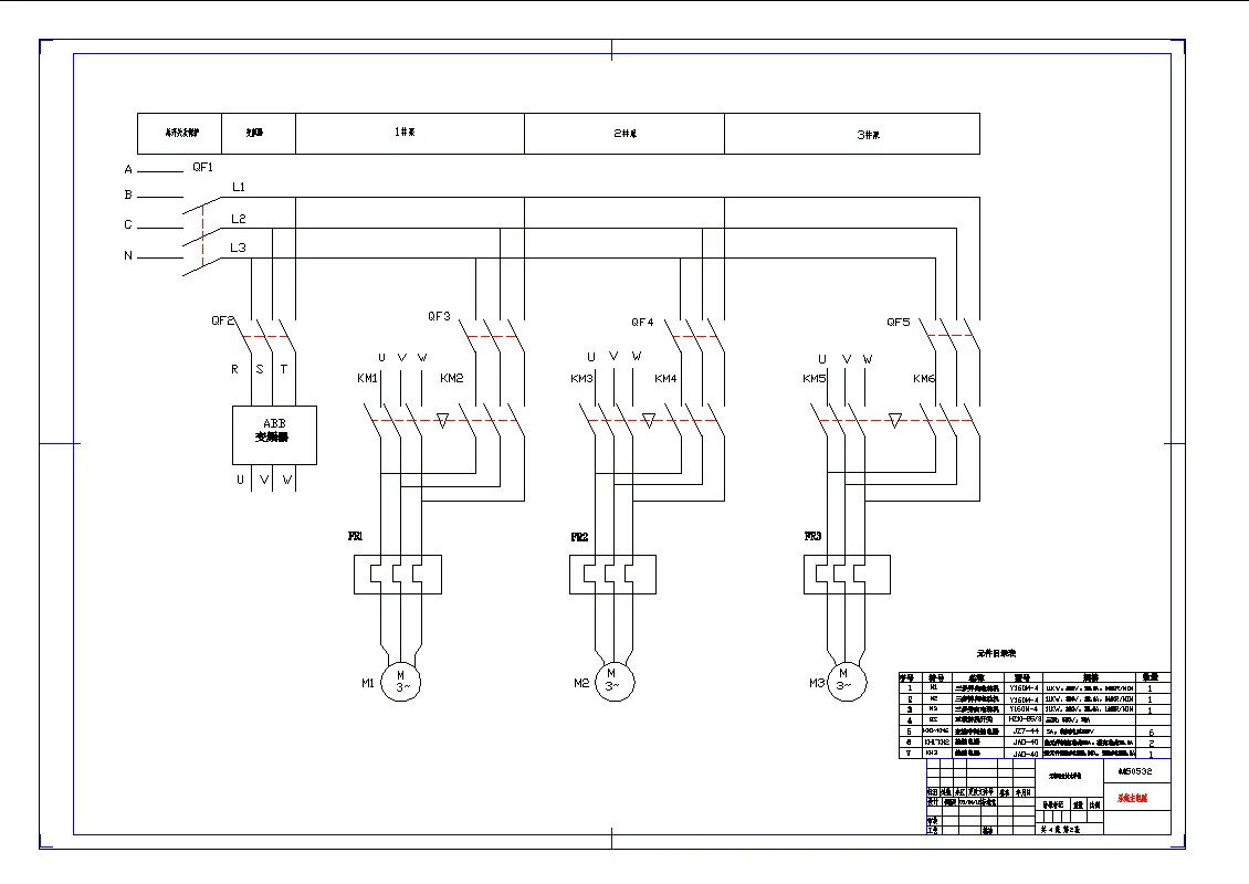
第二章系统组成及控制要求……………………………………………………………6
2.1系统简介………………………………………………………………………………6
2.2系统组成………………………………………………………………………………6
2.3控制要求及技术指标…………………………………………………………………6
2.4变频器的技术参数……………………………………………………………………7
第三章控制系统设计……………………………………………………………………8
3.1确定控制方案…………………………………………………………………………8
3.2主电路设计……………………………………………………………………………10
3.3PLC的接线图………………………………………………………………………… 11
3.4控制电路图……………………………………………………………………………11
3.5程序设计………………………………………………………………………………11
4液压系统的设计…………………………………………………………………………21
4.1液压系统方案及参数确定……………………………………………………………21
4.2执行元件液压缸及系统压力的初循………………………………………………22
4.3计算工作装置铲斗液压缸的主要尺寸………………………………………………23
4.4液压系统原理图的制定………………………………………………………………26
5液压元件的选择与专用件的设计………………………………………………………31
5.1液压泵的选择和泵的参数的计算……………………………………………………31
5.2柴油发动机的选择……………………………………………………………………33
5.3液压阀的选择…………………………………………………………………………33
5.4其他液压元件的选择…………………………………………………………………36
5.5油箱容量的确定………………………………………………………………………36
6压系统性能验算…………………………………………………………………………37
6.1液压系统压力损失……………………………………………………………………37
6.2液压系统的发热温升计算……………………………………………………………37
小结……………………………………………………………………………………38
参考文献……………………………………………………………………………………39
致谢……………………………………………………………………………………40
温馨提示:
1、题目前面的备注【字母数字编号】为本站整理分类的编号,与课题内容无关,请选题时忽视;
2、若题目上备注三维,则表示文件里包含三维源文件,由于三维组成零件数量较多,为保证预览截图的简洁性,本站将三维文件夹进行了打包。三维及CAD预览截图,均为本站电脑打开软件进行截图的,保证能够打开,下载原件超高清,下载后解压即可;
3、本站所有资源如无特殊说明,都需要本地电脑安装Office2007。图纸软件为AutoCAD,PROE,UG,SolidWorks,CATIA等;
4、本站所有图文资料仅供用户学习参考,不作为任何商用或其他用途;
5、本站不保证下载资源的准确性、安全性和完整性, 不包修改,不支持退换,同时也不承担用户因使用这些下载资源对自己和他人造成任何形式的伤害或损失;
6、 下载文件中如有侵权或不适当内容,请与我们联系,我们立即纠正。