

作品包括:
Word版说明书1份,共34页
任务书一份
外文翻译一份
CAD版本图纸,共7张

摘要
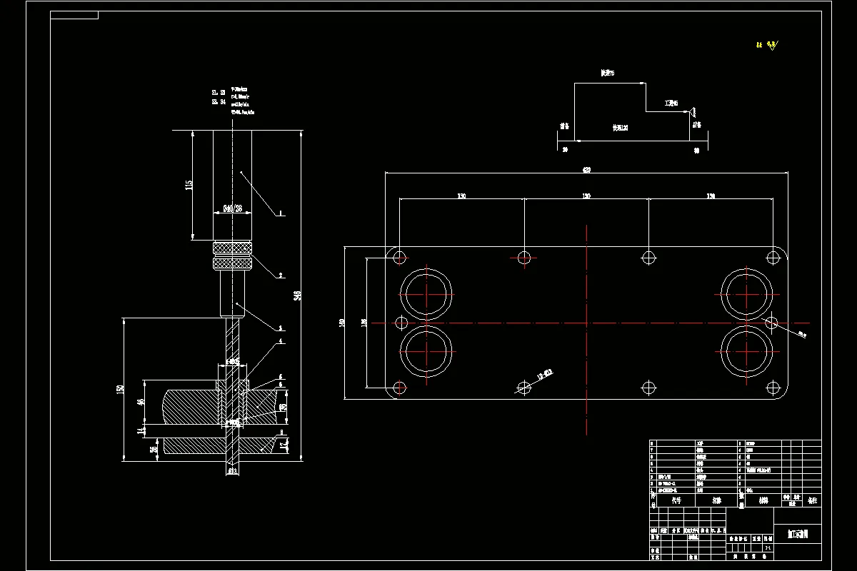
应用组合机床加工大批量零件,快捷高效,生产效率高是机械加工的发展方向。本次设计的题目是“活动压紧板多孔钻专机设计”。在工艺制定过程中,通过批量的进行钻孔的加工方案,并寻求最佳的工艺方案,借此说明了工艺在生产过程中的重要性。本人的设计的主要内容是:进行了机床总体布局设计;对机床的进给和传动部分进行了设计;结合实例,介绍了夹具设计方法;通过此设计,本机床完全能满足设计要求,与传统的机床相比,本机床具有自动化程度高,生产率高,精度高等优点。
关键词:组合机床;钻孔;夹具设计;手动
摘要II
Abstract III
1绪论1
1.1组合机床的简介1
1.2机床在国民经济的地位及其发展简史2
1.3本课题国内外研究概况4
1.3.1国内组合机床现状5
1.3.2国外组合机床现状7
2组合机床的总体设计9
2.1组合机床方案的制定9
2.1.1制定工艺方案9
2.1.2确定组合机床的配置形式和结构方案。 10
2.2确定切削用量及选择刀具11
2.2.1确定工序间余量11
2.2.2选择切削用量11
2.2.3确定切削力、切削扭矩、切削功率12
2.2.4选择刀具结构13
2.3钻孔组合机床总设计“三图一卡”的编制13
2.3.1被加工零件工序图13
2.3.2加工示意图14
2.3.3机床联系尺寸图19
2.3.4生产率计算卡21
2.4多轴箱的设计22
2.4.1绘制多轴箱设计原始依据图22
2.4.2齿轮模数选择24
2.4.3多轴箱的传动设计24
2.4.4绘制传动系统图26
2.4.5传动零件的校核26
结论28
致谢29
参考文献30
温馨提示:
1、题目前面的备注【字母数字编号】为本站整理分类的编号,与课题内容无关,请选题时忽视;
2、若题目上备注三维,则表示文件里包含三维源文件,由于三维组成零件数量较多,为保证预览截图的简洁性,本站将三维文件夹进行了打包。三维及CAD预览截图,均为本站电脑打开软件进行截图的,保证能够打开,下载原件超高清,下载后解压即可;
3、本站所有资源如无特殊说明,都需要本地电脑安装Office2007。图纸软件为AutoCAD,PROE,UG,SolidWorks,CATIA等;
4、本站所有图文资料仅供用户学习参考,不作为任何商用或其他用途;
5、本站不保证下载资源的准确性、安全性和完整性, 不包修改,不支持退换,同时也不承担用户因使用这些下载资源对自己和他人造成任何形式的伤害或损失;
6、 下载文件中如有侵权或不适当内容,请与我们联系,我们立即纠正。