

作品包括:
Word版说明书1份,共52页,约25000字
任务书一份
开题报告一份
外文翻译一份
CAD版本图纸,共2张
三菱PLC程序一份
组态画面一份

摘要
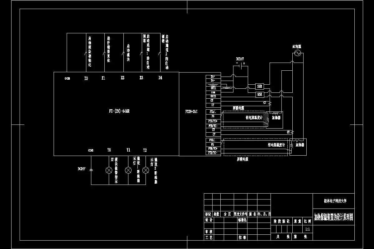
温度在材料进行试验时对其机械性能、工艺性能影响非常大。目前国内的万能材料试验机只能在常温下进行材料的力学性能实验,不能满足在不同温度条件下研究材料的力学性能,国外有类似产品,但其价格十分昂贵。因此本文的目的就是设计一个能够加热和保温的装置。通过对有关万能材料试验机现存问题的分析,由于对温度控制精度要求较高,而且能够对多点温度进行测量,并且控制过程方便简单,可对温度控制进行编程。所以确立了以三菱FX2N-64MR型可编程控制器(PLC)为控制核心,与FX2N-2LC温度调节模块相结合,在常规PID控制基础上,进行硬件和软件设计,实现对万能材料试验机试验箱的温度控制。通过温度传感器pt100对温度进行巡回检测,检测的信号经A/D模数转换得到相应的数字量,温控模块FX2N-2LC再进行判断和运算,得到应有的控制量,再经过D/A数模转换得到相应的模拟量,去控制加热接触器的通断,从而达到对温度的控制。另外利用组态软件设计上位机控制界面,通过FX2编程口与可编程控制器进行链接,利用RS232定的方式进行通信,以监视和辅助控制试验机保温腔的温度。
关键词:加热保温;PID控制;可编程控制器;FX2N-2LC温控模块;组态界面
目录
引言1
1绪论2
1.1课题来源2
1.2目前温度控制系统2
1.3课题的设计与分析3
2控制理论4
2.1闭环控制系统4
2.2阶跃响应4
2.3 PID控制的原理和特点4
3硬件设计7
3.1硬件总体结构7
3.2主控模块的选择与设计7
3.2.1PLC的选用7
3.2.2PLC简述9
3.2.3PLC控制电路设计12
3.3温度控制模块的选择与设计13
3.3.1温控模块的选用13
3.3.2温控模块的简述13
3.3.3FX2N-2LC控制电路设计20
4软件设计(1) 23
4.1软件设计思想23
4.2控制要求及软元件定义23
4.2.1控制参数及要求23
4.2.2输入输出信号定义24
4.2.3内部继电器定义24
4.2.4数据寄存器定义24
4.3系统软件组成25
4.3.1温度设定值输入25
4.3.2模块状态的读出25
4.3.3模块参数的赋值26
4.3.4模块控制与报警27
5软件设计(2) 29
5.1组态软件简述29
5.2监控主界面的设计30
5.3数据报表设计32
5.4报警记录设计35
6试验箱的设计37
6.1试验箱结构图37
6.2保温腔结构图38
6.3窗门结构38
6.4材料选用39
6.5保护层39
7总结40
谢辞41
参考文献42
附录43
温馨提示:
1、题目前面的备注【字母数字编号】为本站整理分类的编号,与课题内容无关,请选题时忽视;
2、若题目上备注三维,则表示文件里包含三维源文件,由于三维组成零件数量较多,为保证预览截图的简洁性,本站将三维文件夹进行了打包。三维及CAD预览截图,均为本站电脑打开软件进行截图的,保证能够打开,下载原件超高清,下载后解压即可;
3、本站所有资源如无特殊说明,都需要本地电脑安装Office2007。图纸软件为AutoCAD,PROE,UG,SolidWorks,CATIA等;
4、本站所有图文资料仅供用户学习参考,不作为任何商用或其他用途;
5、本站不保证下载资源的准确性、安全性和完整性, 不包修改,不支持退换,同时也不承担用户因使用这些下载资源对自己和他人造成任何形式的伤害或损失;
6、 下载文件中如有侵权或不适当内容,请与我们联系,我们立即纠正。