

作品包括:
Word版说明书1份,共44页
外文翻译一份
CAD版本图纸,共6张
摘要
科学发展观为我国工程技术的发展开辟了广阔道路,而机械手作为一种高科技自动化生产设备,已经广泛应用于国民经济的各个领域,这就对我们的教育培训部门提出了新的要求。因此,为了适应社会发展的形势,在现有技术基础上设计一台教学型机械手有着深远的科教意义。
本课题设计的教学型搬运机械手,主要包括机械手的总体方案设计、机械手的机械结构设计以及驱动、控制系统设计等,实现了机械手手部的四自由度运动:手臂的升降、伸缩和手腕、手臂的回转。设计中分析了教学型机械手的功能要求和现实意义,通过气压缸来实现手臂的升降和伸缩,采用回转气压缸来实现手腕和手臂的回转。设计的机械手结构简单、便于操作,在单片机的控制下完成预期的动作,能给学生以直观的印象,达到教学演示的目的。
目录
1绪论1
1.1机械手概述1
1.2机械手的组成和分类1
1.2.1机械手的组成1
1.2.2机械手的分类4
1.3国内外发展状况5
1.4课题研究的主要内容6
1.5教学用机械手的功能要求及现实意义6
1.5.1教学用机械手的功能要求6
1.5.2教学用机械手的现实意义7
2机械手的设计方案8
2.1机械手的座标型式与自由度8
2.1.1机械手的坐标型式8
2.1.2机械手的自由度9
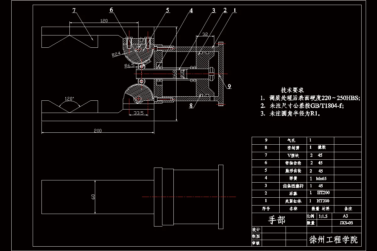
2.2机械手的手部结构方案设计9
2.3机械手的主要参数11
2.4机械手的技术参数列表11
3机械手机械系统设计13
3.1手部结构设计13
3.1.1设计时考虑的几个问题13
3.1.2手爪夹持装置的机构选型13
3.1.3手部夹紧气缸的设计15
3.2手腕结构设计19
3.2.1手腕的自由度19
3.2.2手腕的驱动力矩的计算19
3.3手臂结构设计23
3.3.1手臂伸缩与手腕回转部分23
3.3.2手臂升降和回转部分26
3.3.3手臂升降气缸的设计26
3.3.4手臂回转缸体的设计29
4机械手气压系统的设计31
4.1气压传动系统工作原理图31
4.2气动元件介绍31
5机械手控制系统设计35
5.1控制系统的结构分类35
5.2控制方式35
5.3机械手的控制36
6结论38
7致谢39
参考文献40
温馨提示:
1、题目前面的备注【字母数字编号】为本站整理分类的编号,与课题内容无关,请选题时忽视;
2、若题目上备注三维,则表示文件里包含三维源文件,由于三维组成零件数量较多,为保证预览截图的简洁性,本站将三维文件夹进行了打包。三维及CAD预览截图,均为本站电脑打开软件进行截图的,保证能够打开,下载原件超高清,下载后解压即可;
3、本站所有资源如无特殊说明,都需要本地电脑安装Office2007。图纸软件为AutoCAD,PROE,UG,SolidWorks,CATIA等;
4、本站所有图文资料仅供用户学习参考,不作为任何商用或其他用途;
5、本站不保证下载资源的准确性、安全性和完整性, 不包修改,不支持退换,同时也不承担用户因使用这些下载资源对自己和他人造成任何形式的伤害或损失;
6、 下载文件中如有侵权或不适当内容,请与我们联系,我们立即纠正。