

作品包括:
Word版设计说明书1份,共47页
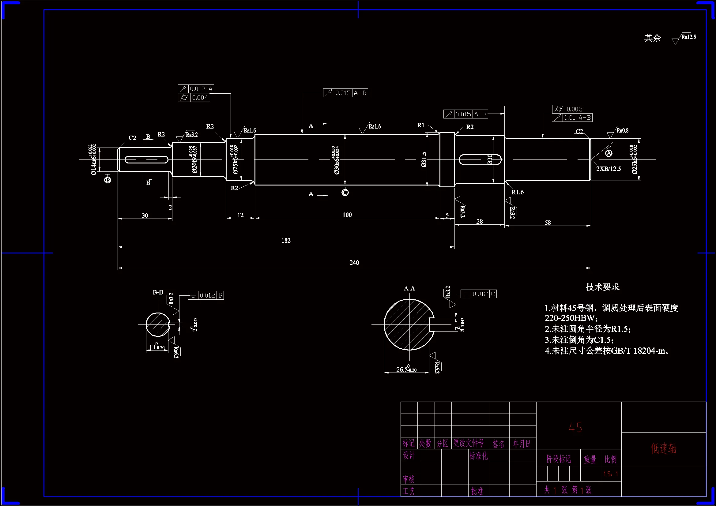
CAD版本图纸,共9张
摘要
齿轮传动是利用两齿轮的轮齿相互啮合来传递空间任意两轴间的动力和运动的机械传动,是机械传动工作中最为重要的一个环节,形式多种多样,应用极其广泛。随着当代机械产业的快速发展,机械设备不断的复杂化,所以机械设备的故障的发生率也越来越高,尤其是在机械设备中经常出现的齿轮传动系统,齿轮故障的检测就显得尤为重要,要保证设备的正常良好运行,就要提高齿轮的可靠性。
基于以上考虑,本文设计了一组开放式齿轮试验机,此试验机是由电动机,带传动以及齿轮传动组成,并对其中的轴、齿轮、轴承以及键进行了强度校核和寿命校核,结果表明,设计的主要零部件均能够满足设计要求。
此次开放式齿轮试验机的设计可以对几种典型的齿轮故障进行模拟,在室内试验室的环境下完成各种齿轮故障的重现,例如轮齿折断,齿面点蚀,齿面磨损,齿面胶合等,设备简单方面,便于操作维护。
温馨提示:
1、题目前面的备注【字母数字编号】为本站整理分类的编号,与课题内容无关,请选题时忽视;
2、若题目上备注三维,则表示文件里包含三维源文件,由于三维组成零件数量较多,为保证预览截图的简洁性,本站将三维文件夹进行了打包。三维及CAD预览截图,均为本站电脑打开软件进行截图的,保证能够打开,下载原件超高清,下载后解压即可;
3、本站所有资源如无特殊说明,都需要本地电脑安装Office2007。图纸软件为AutoCAD,PROE,UG,SolidWorks,CATIA等;
4、本站所有图文资料仅供用户学习参考,不作为任何商用或其他用途;
5、本站不保证下载资源的准确性、安全性和完整性, 不包修改,不支持退换,同时也不承担用户因使用这些下载资源对自己和他人造成任何形式的伤害或损失;
6、 下载文件中如有侵权或不适当内容,请与我们联系,我们立即纠正。