

作品包括:
Word版设计说明书1份
CAD版本图纸,共13张
SW三维图一套
摘要
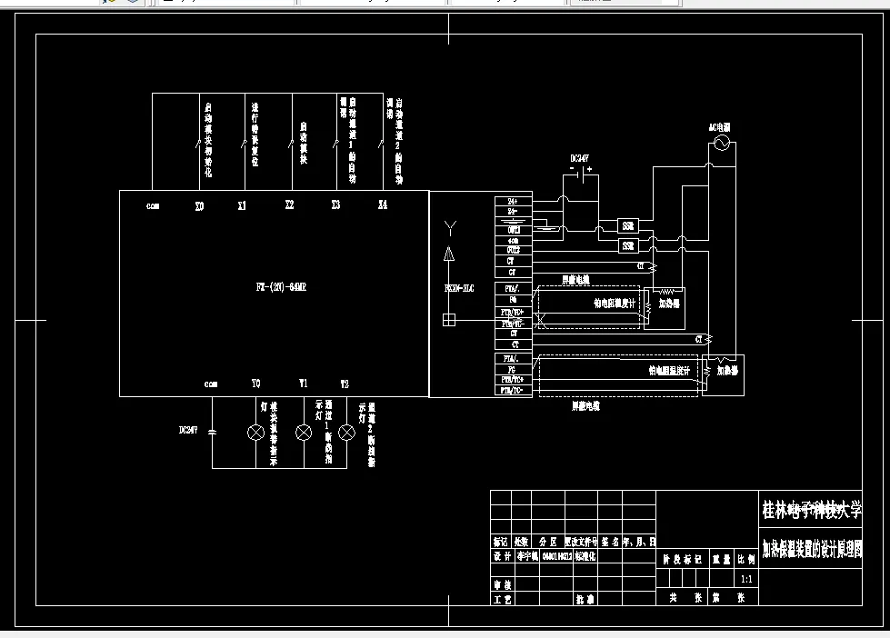
弧焊机器人是一种自动化设备,能够有效地提高生产效率和焊接质量。然而,目前市场上的弧焊机器人送丝机存在一些问题,例如速度不均匀、送丝不稳定等。因此,本文针对弧焊机器人送丝机的设计进行了研究与改进。首先介绍了弧焊机器人送丝机的工作原理和结构,然后分析了目前存在的问题及其原因。接着,提出了一种改进设计方案,包括优化送丝轨道、提高送丝速度控制精度等措施。最后,通过实验验证了新设计的送丝机在速度均匀性和稳定性方面的优势,证明了改进设计的有效性。本研究为提高弧焊机器人送丝机的性能提供了重要参考,有助于推动自动化焊接技术的发展。
温馨提示:
1、题目前面的备注【字母数字编号】为本站整理分类的编号,与课题内容无关,请选题时忽视;
2、若题目上备注三维,则表示文件里包含三维源文件,由于三维组成零件数量较多,为保证预览截图的简洁性,本站将三维文件夹进行了打包。三维及CAD预览截图,均为本站电脑打开软件进行截图的,保证能够打开,下载原件超高清,下载后解压即可;
3、本站所有资源如无特殊说明,都需要本地电脑安装Office2007。图纸软件为AutoCAD,PROE,UG,SolidWorks,CATIA等;
4、本站所有图文资料仅供用户学习参考,不作为任何商用或其他用途;
5、本站不保证下载资源的准确性、安全性和完整性, 不包修改,不支持退换,同时也不承担用户因使用这些下载资源对自己和他人造成任何形式的伤害或损失;
6、 下载文件中如有侵权或不适当内容,请与我们联系,我们立即纠正。