

作品包括:
Word版说明书1份,共35页,约8200字
CAD版本图纸,共4张
![1749614977226293.webp ]V{37ZPEB7)Y~G)Q6L5P~(9.webp](/static/upload/image/20250611/1749614977226293.webp)
摘 要
在机械加工制造中,工件在铣床、钻床等机械设备上进行加工时,要保证加工工件相对于刀具及切削运动,处于一个正确的空间位置;对于批量生产,还应保证整批工件在同一加工工位上,所占据空间位置不变。产品的批量较小或是单件生产时,这个同一正确位置则可以通过通用夹具逐个保证。而批量较大时,往往为快速完成工件的装夹,保证加工精度,提高生产效率,则使用专门的夹具。
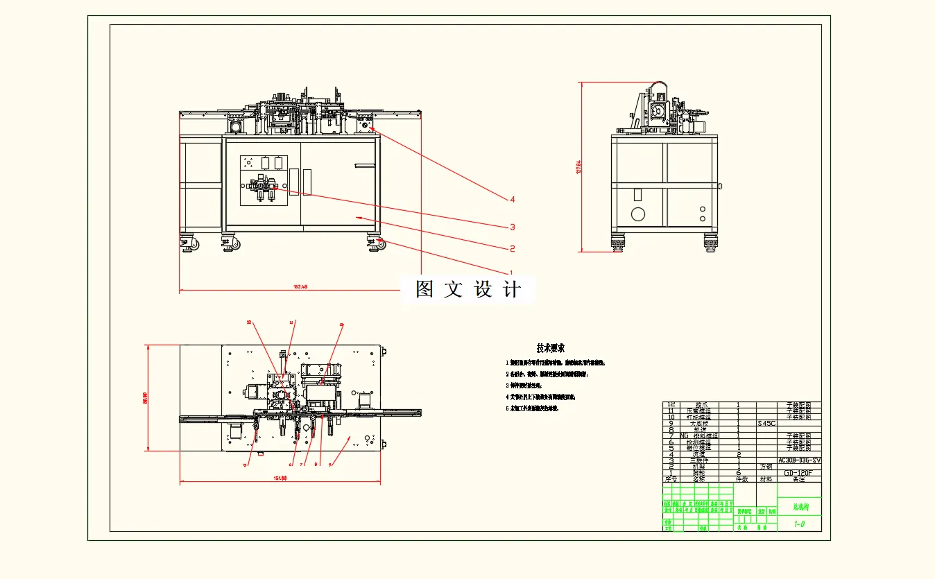
本设计是已有万能分度头平面设计为准,通过运用绘图软件建立齿轮、轴、轴承、底座、本体等三维模型,将各个零件进行装配并且运用绘图软件对其进行爆炸视图。确定万能分度头的类型、其工作环境等总体工作,设计各个零件的结构形状和尺寸,绘制装配图。
根据万能分度头设计的原始材料,研究万能分度头各个组成部件(包括齿轮、轴、轴承、底座、本体)设计及校核方法。根据所算万能分度头各个部件的数据,进行三维建模,进行万能分度头的爆炸视图制作,得出结论。万能分度头一般很适合运用在铣床、钻床等机械设备上。
关键词:万能分度头;三维建模目 录
目录
1 概述 1
1.1 万能分度头概述 1
1.1.1 万能分度头的结构及传动系统 2
1.2 万能分度头的分度原理 3
1.2.1 直接分度法 3
1.2.2 近似分度法 3
1.2.3 角度分度法 4
1.3 SolidWorks2013简介 5
2 分度头总体设计 7
2.1 万能分度头工作环境 7
2.2 X5032型立式铣床的各项参数 7
2.3 确定设计各参数 7
3 蜗轮蜗杆传动设计 8
3.1 选择传动类型,精度等级和材料 8
3.2 选择蜗杆,涡轮的齿数 8
3.3 确定许用应力 9
3.4 接触强度设计 9
3.5 求涡轮最快转速 10
3.6 校核涡轮齿面的接触强度 10
3.7 蜗轮齿根弯曲强度的校核 11
3.8 确定传动的主要尺寸 11
4 斜齿轮的设计及计算 13
4.1 选材,热处理方法,精度等级,齿数、齿宽系数,初选螺旋角 13
4.2 按齿根弯曲疲劳强度设计 13
4.2.1 确定公式中各参数值 14
4.2.2 设计计算 14
4.2.3 计算齿轮传动几何尺寸 15
4.3 校核齿面接触疲劳强度 16
4.3.1 确定公式中各参数数值 16
4.3.2 校核计算 17
5 直齿轮设计 18
5.1 选择齿轮材料,热处理方法,精度等级,齿数及齿宽系数 18
5.2 按齿面接触疲劳强度设计 18
5.2.1 确定公式中各参数 19
5.2.2 设计计算 19
5.2.3 计算齿轮传动的几何尺寸 20
5.3 校核齿根弯曲疲劳强度 21
5.3.1 确定公式中各值的参数 21
6 轴的设计 22
6.1 确定轴的动力参数 22
6.1.1 确定轴所受功率和转速 22
6.1.2 确定相关的效率 22
6.1.3 轴所受到的实际功率 23
6.1.4确定轴的转矩 23
6.2 轴的结构设计 23
6.2.1 确定的结构方案 23
7 万能分度头零件的三维建模及装配 25
7.1 齿轮三维模型 25
7.2 轴的三维模型 26
7.3 箱体的三维模型 27
7.4 其他零件三维模型成型 28
总结 30
致谢 31
参考文献 32
温馨提示:
1、题目前面的备注【字母数字编号】为本站整理分类的编号,与课题内容无关,请选题时忽视;
2、若题目上备注三维,则表示文件里包含三维源文件,由于三维组成零件数量较多,为保证预览截图的简洁性,本站将三维文件夹进行了打包。三维及CAD预览截图,均为本站电脑打开软件进行截图的,保证能够打开,下载原件超高清,下载后解压即可;
3、本站所有资源如无特殊说明,都需要本地电脑安装Office2007。图纸软件为AutoCAD,PROE,UG,SolidWorks,CATIA等;
4、本站所有图文资料仅供用户学习参考,不作为任何商用或其他用途;
5、本站不保证下载资源的准确性、安全性和完整性, 不包修改,不支持退换,同时也不承担用户因使用这些下载资源对自己和他人造成任何形式的伤害或损失;
6、 下载文件中如有侵权或不适当内容,请与我们联系,我们立即纠正。