

作品包括:
Word版设计说明书1份
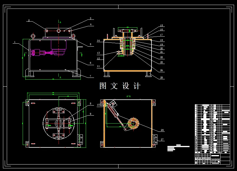
CAD版本图纸,共4张
SW三维图一套
仿真动画视频一份
摘要
主要介绍喷漆机器人的结构设计。设计中讨论喷漆机器人的结构设计,它的工作原理,分析它的工作范围,驱动选择,平衡方式,材料选择,零部件校核,根据给点的设计参数比较不同的方案,最终根据分析的结果选择电液伺服驱动对机器人进行计算设计。 本次设计主要设计了机器人的大臂、底座,以及整体结构简图。根据机械基础知识以及原理,得出机器人相对部件的结构。
温馨提示:
1、题目前面的备注【字母数字编号】为本站整理分类的编号,与课题内容无关,请选题时忽视;
2、若题目上备注三维,则表示文件里包含三维源文件,由于三维组成零件数量较多,为保证预览截图的简洁性,本站将三维文件夹进行了打包。三维及CAD预览截图,均为本站电脑打开软件进行截图的,保证能够打开,下载原件超高清,下载后解压即可;
3、本站所有资源如无特殊说明,都需要本地电脑安装Office2007。图纸软件为AutoCAD,PROE,UG,SolidWorks,CATIA等;
4、本站所有图文资料仅供用户学习参考,不作为任何商用或其他用途;
5、本站不保证下载资源的准确性、安全性和完整性, 不包修改,不支持退换,同时也不承担用户因使用这些下载资源对自己和他人造成任何形式的伤害或损失;
6、 下载文件中如有侵权或不适当内容,请与我们联系,我们立即纠正。