

作品包括:
Word版设计说明书1份
开题报告一份
PPT答辩一份
CAD版本图纸,共10张
摘要
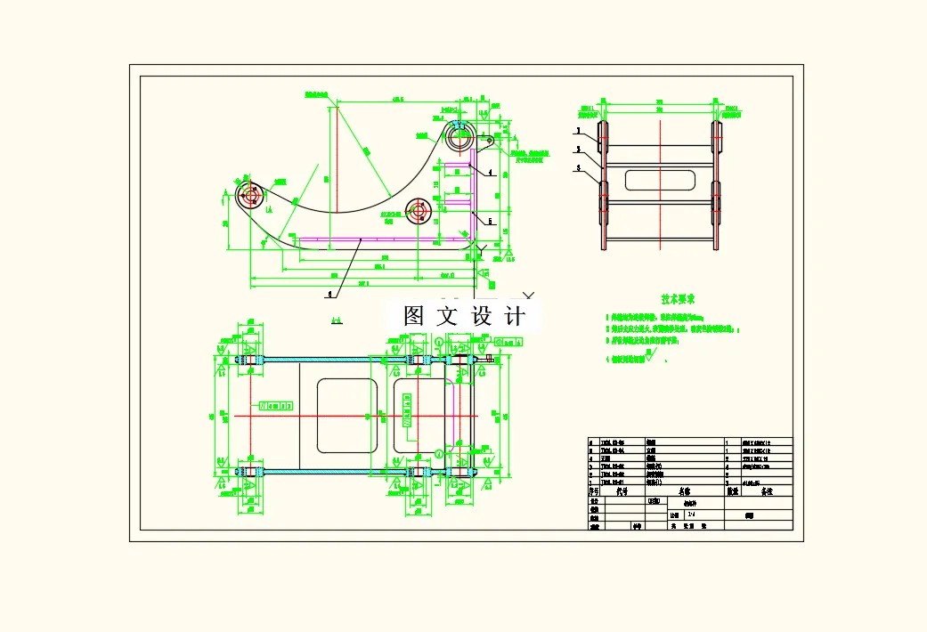
镁及镁合金具备,拥有有重量轻、其制作材料长短不变性好等显著优点。镁及镁合金板、带材传统上主要用于航空、航天、化工、火箭等工业部门,当下其应用研究有向便携式器械(如手机壳、笔记本电脑的内置框架)和汽车行业发展,人们在追求轻量化。本文中皮带助卷器的设计计算是通过大量的文献查阅和工厂实习。首先对助卷器的结构进行了解,然后通过机械原理,力学分析等,对进行皮带助卷器的运动分析,然后对皮带助卷器进行了设计计算,其中设计和校核了皮带,辊轴,也进行了液压缸的选型计算,最后对产品的润滑和维护做了一些总结。
温馨提示:
1、题目前面的备注【字母数字编号】为本站整理分类的编号,与课题内容无关,请选题时忽视;
2、若题目上备注三维,则表示文件里包含三维源文件,由于三维组成零件数量较多,为保证预览截图的简洁性,本站将三维文件夹进行了打包。三维及CAD预览截图,均为本站电脑打开软件进行截图的,保证能够打开,下载原件超高清,下载后解压即可;
3、本站所有资源如无特殊说明,都需要本地电脑安装Office2007。图纸软件为AutoCAD,PROE,UG,SolidWorks,CATIA等;
4、本站所有图文资料仅供用户学习参考,不作为任何商用或其他用途;
5、本站不保证下载资源的准确性、安全性和完整性, 不包修改,不支持退换,同时也不承担用户因使用这些下载资源对自己和他人造成任何形式的伤害或损失;
6、 下载文件中如有侵权或不适当内容,请与我们联系,我们立即纠正。