

作品包括:
Word版说明书1份,共29页,约10000字
开题报告一份
CAD版本图纸,共9张
SW三维图一套

摘要
随着生活节奏的加快,人门对于饮食所用的时间必定要求更加更少,因此针对饮食的自动化设备使用要求其具有更加方便,但是目前饺子机的发展还是一个不断探索成交的过程,其结构还不能持续性稳定,并且还不能高效快捷的为人们服务,本次课题主要分为以下几步完成饺子机的优化设计。
首先查阅相关国内外知识,对于目前国内饺子的结构原理有个基本认识,并且对于国内外现有设备的优点缺点进行总结分析,并结合自动化的发展以及国内加工制造水平情况对本次设计有个概念上的认识 。
然后通过对饺子机问题的分析总结并进行优化改进,以确定本次设计的结构方案,并通过方案对本次设计结构进行计算分析,并对主要的零部件以及传动机构进行计算校核,确保结构设计的可行性 。
然后对本结构进行分析其是否能够解决传统结构所遗留的问题,并且结构进行优化分析进行创新设计,最终用使其性能更加稳定,传统更加平稳 。
最后经过结合计算机辅助软件参数化的进行设计分析,并通过相关绘图软件完成对三维以及二维的绘制,并对设计计算进行总结分析并最终完成设计说明书的编制。
关键词:饺子机;输面机构;成型机构。
目 录
摘 要 II
Abstract III
第1章 绪论 1
1.1课题的目的与意义 1
1.1.1课题研究的目的 1
1.1.2课题研究的意义 1
1.2饺子机的国内外发展趋势 2
1.3本课题研究的内容 3
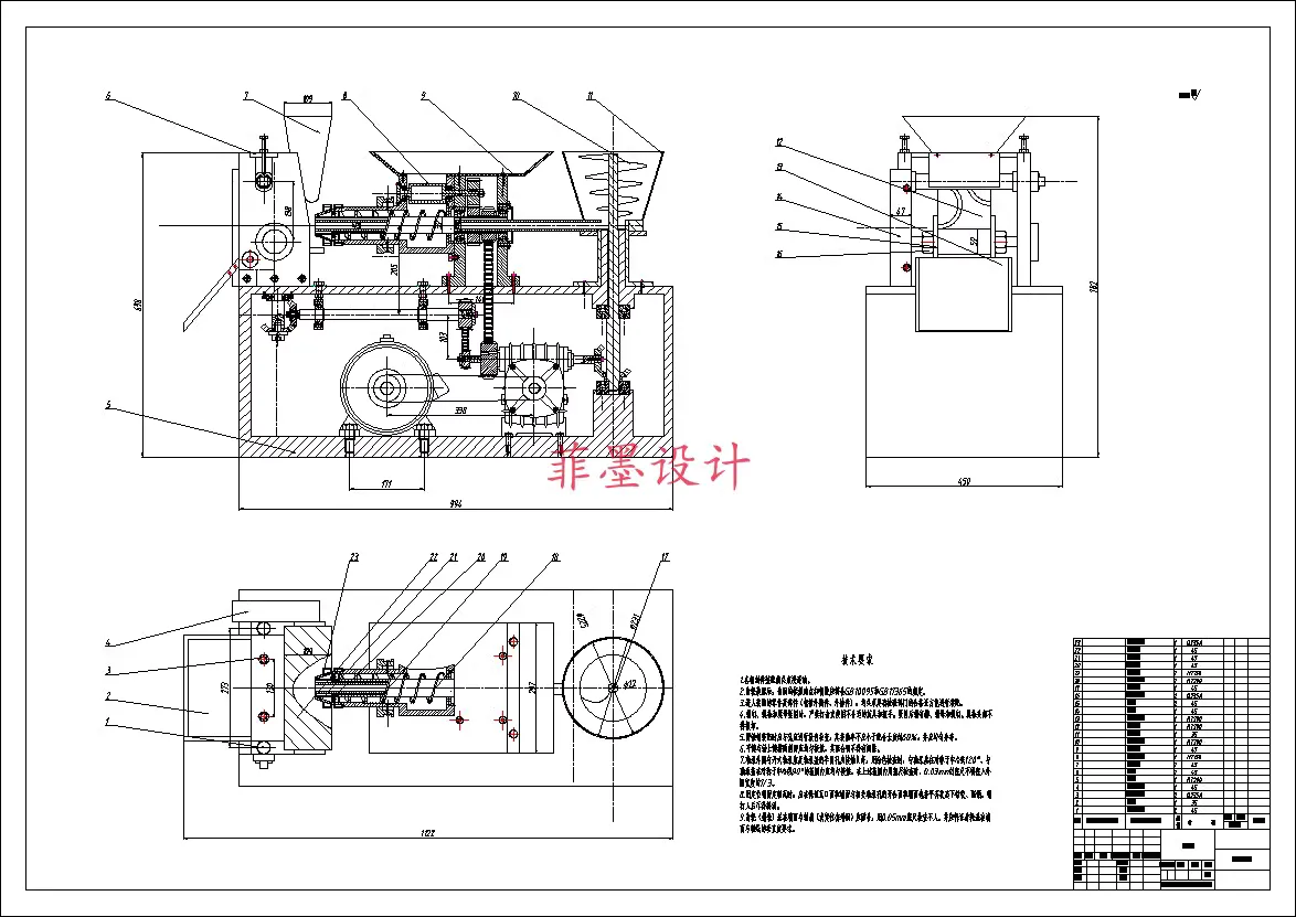
第2章原饺子机主要机构 4
2.1原饺子机的输馅机构 4
2.2原饺子机的输面装置的分析 5
2.3原饺子机的成型装置 7
第3章改进后的饺子机的主要机构 9
3.1改进后的输馅机构 9
3.2改进后的输面装置 11
3.2.1改进后的输面装置的传动原理 11
3.2.2改进后的输面装置的特点 12
3.3改进后的成型装置 12
第4章饺子机主要机构的相关计算与校核 14
4.1传动系统图 14
4.2主要机构的相关计算 15
4.3饺子机的传动齿轮的校核计算 18
4.4齿轮接触应力 19
4.5饺子机轴的结构和尺寸 21
第5章 结论 25
参 考 文 献 26
致 谢 28
温馨提示:
1、题目前面的备注【字母数字编号】为本站整理分类的编号,与课题内容无关,请选题时忽视;
2、若题目上备注三维,则表示文件里包含三维源文件,由于三维组成零件数量较多,为保证预览截图的简洁性,本站将三维文件夹进行了打包。三维及CAD预览截图,均为本站电脑打开软件进行截图的,保证能够打开,下载原件超高清,下载后解压即可;
3、本站所有资源如无特殊说明,都需要本地电脑安装Office2007。图纸软件为AutoCAD,PROE,UG,SolidWorks,CATIA等;
4、本站所有图文资料仅供用户学习参考,不作为任何商用或其他用途;
5、本站不保证下载资源的准确性、安全性和完整性, 不包修改,不支持退换,同时也不承担用户因使用这些下载资源对自己和他人造成任何形式的伤害或损失;
6、 下载文件中如有侵权或不适当内容,请与我们联系,我们立即纠正。