

作品包括:
Word版设计说明书1份
CAD版本图纸,共4张
摘要
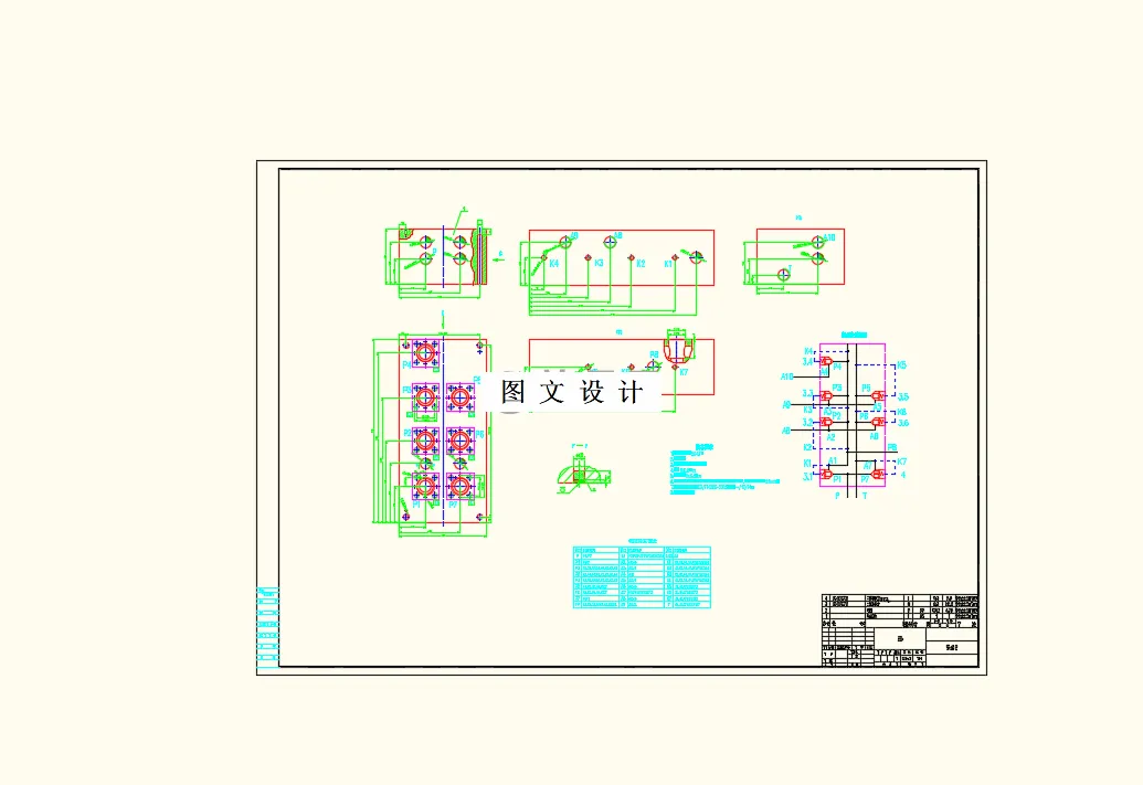
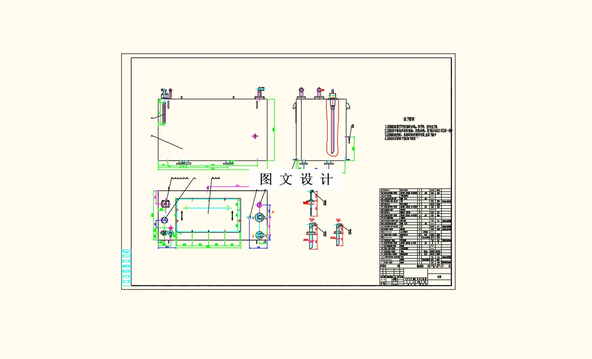
由于生产木片是以采伐、造材和加工的剩余物或低质材为原料,因而早已受到世界上林业发达国家的普遍重视。但是传统木片运输过程中存在的最关键的问题木片的运输费用很高,其主要问题在于木片自然堆积密度小。为此,一种可以将木片压缩为高密度方块的木片压缩机应要求而生。该机器通过对木片进行压缩来消除木片之间的间隙,提高木片堆积的密度,切实提高了木片运输的效率。本文的设计对象即为木片压缩机的驱动系统,通过 PLC 控制液压系统来实现机器的驱动。 木片压缩机的液压系统通过两个恒压变量泵供油,其压缩回路由二通插装阀与电磁换向阀控制。下料回路与推出回路由比例阀控制。液压缸动作顺序由 PLC 系统控制,通过阀的中位机能变换实现。最后完成液压原理图、元器件计算和选型、油箱设计以及泵站设计。
温馨提示:
1、题目前面的备注【字母数字编号】为本站整理分类的编号,与课题内容无关,请选题时忽视;
2、若题目上备注三维,则表示文件里包含三维源文件,由于三维组成零件数量较多,为保证预览截图的简洁性,本站将三维文件夹进行了打包。三维及CAD预览截图,均为本站电脑打开软件进行截图的,保证能够打开,下载原件超高清,下载后解压即可;
3、本站所有资源如无特殊说明,都需要本地电脑安装Office2007。图纸软件为AutoCAD,PROE,UG,SolidWorks,CATIA等;
4、本站所有图文资料仅供用户学习参考,不作为任何商用或其他用途;
5、本站不保证下载资源的准确性、安全性和完整性, 不包修改,不支持退换,同时也不承担用户因使用这些下载资源对自己和他人造成任何形式的伤害或损失;
6、 下载文件中如有侵权或不适当内容,请与我们联系,我们立即纠正。