

作品包括:
Word版设计说明书1份
CAD版本图纸,共10张
摘要
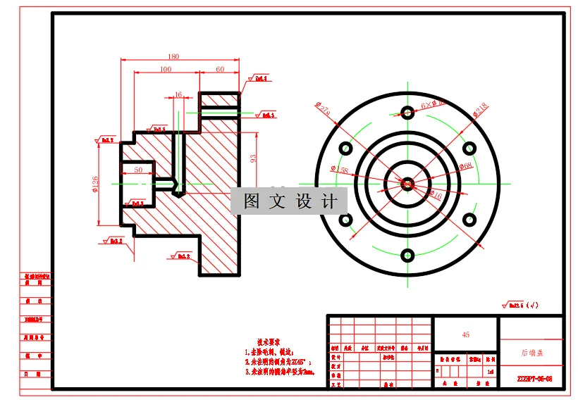
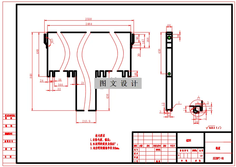
本次对象主要是应用于气瓶运输车,实现气瓶的快速装卸,通过对载货厢的改造,方便气瓶的转运,能够大大的简化装卸工序,降低工人的劳动强度,大大的提高搬运效率。在查阅设计文献和参考资料的基础上,提出了两种设计方案,在对两种方案进行对比的基础上,最终了确定了液压缸加链条的形式来实现载货平台的升降设计方案。根据设计方案对液压缸和起重链进行了选型计算,对升降载货平台进行了简单的结构设计,并且利用三维软件proe对装卸货载货平台进行了三维建模,实现了气瓶上下搬运装卸。
温馨提示:
1、题目前面的备注【字母数字编号】为本站整理分类的编号,与课题内容无关,请选题时忽视;
2、若题目上备注三维,则表示文件里包含三维源文件,由于三维组成零件数量较多,为保证预览截图的简洁性,本站将三维文件夹进行了打包。三维及CAD预览截图,均为本站电脑打开软件进行截图的,保证能够打开,下载原件超高清,下载后解压即可;
3、本站所有资源如无特殊说明,都需要本地电脑安装Office2007。图纸软件为AutoCAD,PROE,UG,SolidWorks,CATIA等;
4、本站所有图文资料仅供用户学习参考,不作为任何商用或其他用途;
5、本站不保证下载资源的准确性、安全性和完整性, 不包修改,不支持退换,同时也不承担用户因使用这些下载资源对自己和他人造成任何形式的伤害或损失;
6、 下载文件中如有侵权或不适当内容,请与我们联系,我们立即纠正。