

作品包括:
Word版设计说明书1份,共56页,约18000字
CAD版本图纸,共7张

摘要
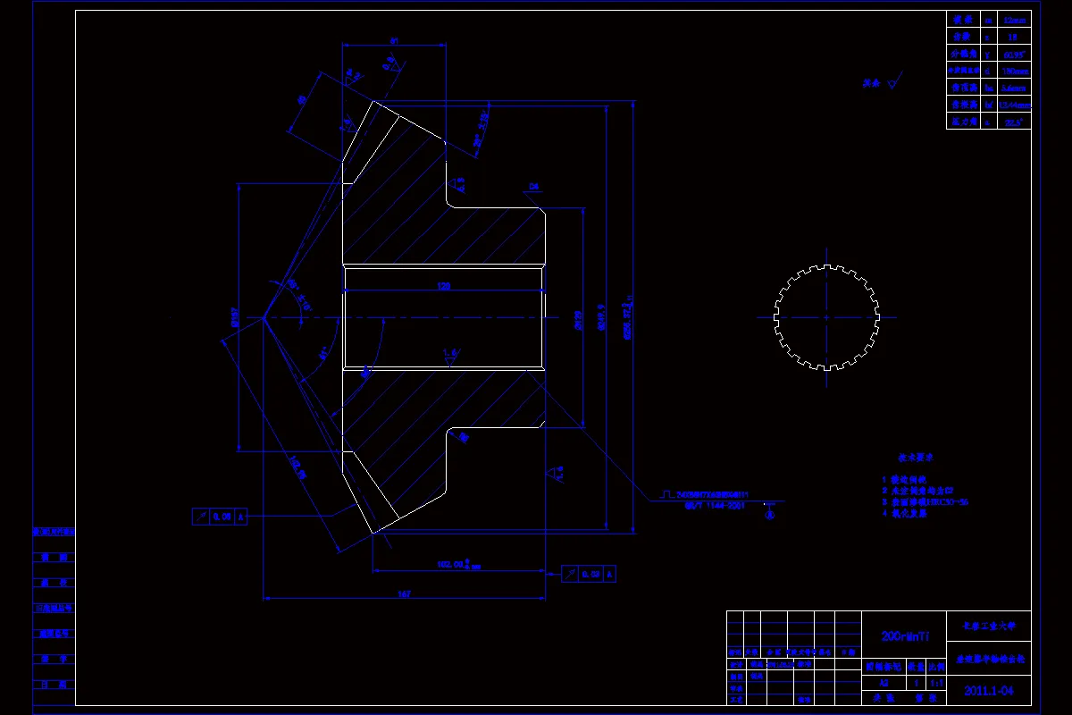
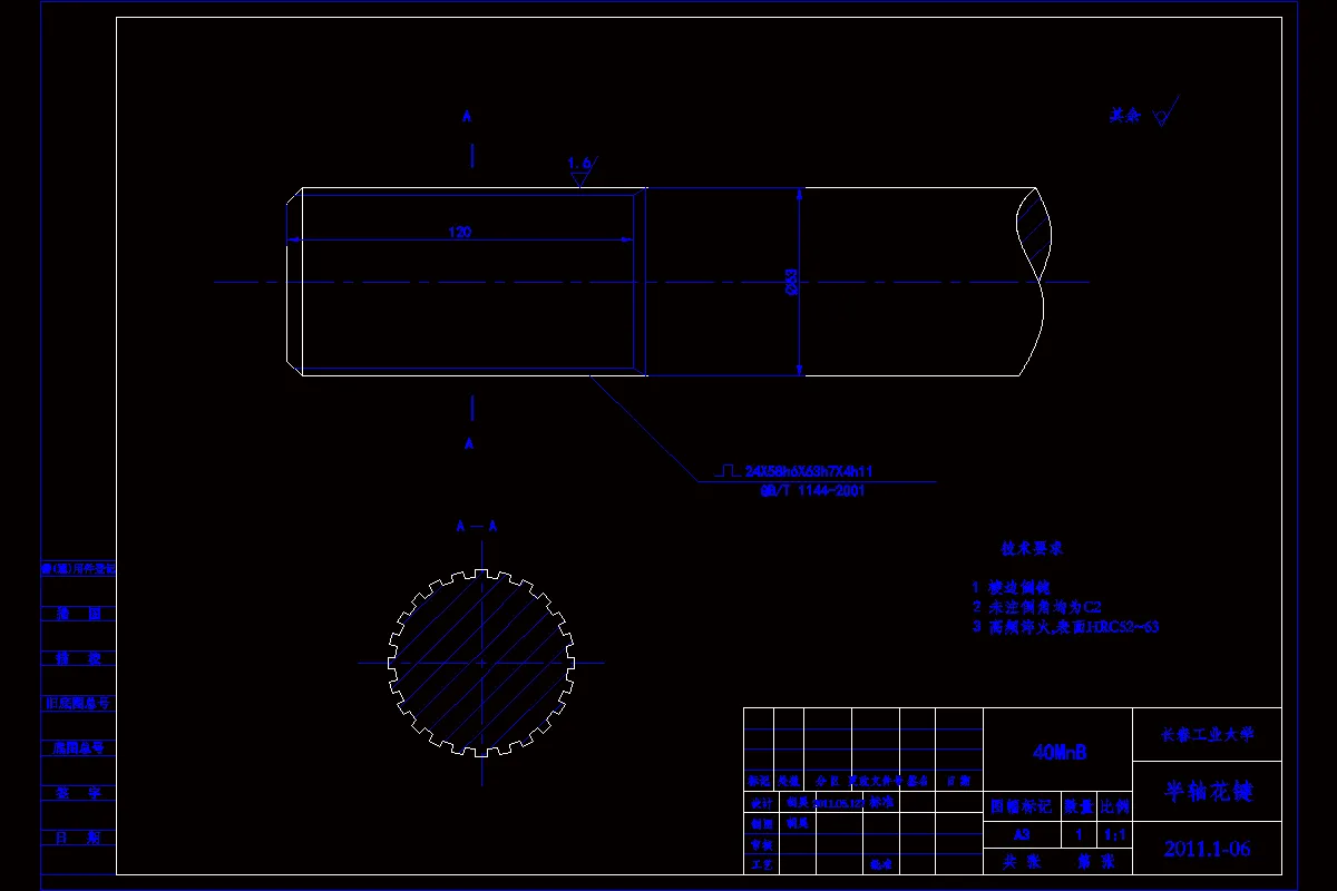
驱动桥位于传动系统的末端,作用为改变传动方向增大转矩,是汽车四大总成之一,其性能好坏是评价重型货车整体性能的重要指标。由于重型货车采用的发动机输出功率大,所以对驱动桥的要求就更加严格。目前新型重型货车对载重量和行驶速度都有着更高的要求,所以搭配高效、可靠、传动效率高的驱动桥显得尤为重要。同时对更先进的单级减速驱动桥的设计已成为未来驱动桥的发展方向。本文已传统驱动桥设计的模式进行重型货车驱动桥设计。依照技术指标要求翻阅相关资料比较相近产品确定主要部件的结构和参数;深入研究对比之后确定总体设计方案;对主,从动锥齿轮,差速器圆锥行星齿轮,半轴齿轮,整体式桥壳,全浮式半轴等的强度进行校核并且对支承轴承进行了寿命校核。
172596
温馨提示:
1、题目前面的备注【字母数字编号】为本站整理分类的编号,与课题内容无关,请选题时忽视;
2、若题目上备注三维,则表示文件里包含三维源文件,由于三维组成零件数量较多,为保证预览截图的简洁性,本站将三维文件夹进行了打包。三维及CAD预览截图,均为本站电脑打开软件进行截图的,保证能够打开,下载原件超高清,下载后解压即可;
3、本站所有资源如无特殊说明,都需要本地电脑安装Office2007。图纸软件为AutoCAD,PROE,UG,SolidWorks,CATIA等;
4、本站所有图文资料仅供用户学习参考,不作为任何商用或其他用途;
5、本站不保证下载资源的准确性、安全性和完整性, 不包修改,不支持退换,同时也不承担用户因使用这些下载资源对自己和他人造成任何形式的伤害或损失;
6、 下载文件中如有侵权或不适当内容,请与我们联系,我们立即纠正。