

作品包括:
Word设计说明书1份
CAD版本图纸,共4张
摘要
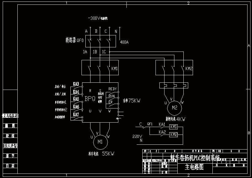
基于PLC与变频器的料车卷扬机调速控制系统设计 该设计还采用了变频器6SE70装置中的抱闸专用控制功能来实现料车运行中抱闸控制与联锁控制。PLC控制系统以西门子S7200PLC作为控制核心,采用光电隔离,数字滤波,数据断电保持功能。明确了调速控制分为高速、中速、低速三段速的设计思路,设计了基于西门子6SE70变频器的变频调速控制系统。电气部分设计了主电路和PLC控制电路,对电气部分元器件进行了参数计算和选型。详细介绍了PLC控制系统CPU模块的硬件组成,绘制了PLC模块端子接线图,绘制PLC软件程序流程图。设计了友好的人机界面,一些设定参数可以通过大屏幕输入,传送到PLC,系统工作的实时状态和数据也能在大屏幕上显示出来。本设计描述比较详细,硬件选型合理,接线图纸准确,提供了部分软件程序流程图和人机界面画面。满足了上料卷扬机对调速控制的要求,精确控制料车运行位置,确保了料车的安全稳定运行。
温馨提示:
1、题目前面的备注【字母数字编号】为本站整理分类的编号,与课题内容无关,请选题时忽视;
2、若题目上备注三维,则表示文件里包含三维源文件,由于三维组成零件数量较多,为保证预览截图的简洁性,本站将三维文件夹进行了打包。三维及CAD预览截图,均为本站电脑打开软件进行截图的,保证能够打开,下载原件超高清,下载后解压即可;
3、本站所有资源如无特殊说明,都需要本地电脑安装Office2007。图纸软件为AutoCAD,PROE,UG,SolidWorks,CATIA等;
4、本站所有图文资料仅供用户学习参考,不作为任何商用或其他用途;
5、本站不保证下载资源的准确性、安全性和完整性, 不包修改,不支持退换,同时也不承担用户因使用这些下载资源对自己和他人造成任何形式的伤害或损失;
6、 下载文件中如有侵权或不适当内容,请与我们联系,我们立即纠正。