

作品包括:
Word设计说明书1份,共43页,约13000字
任务书一份
PPT答辩一份
外文翻译一份
CAD版本图纸,共9张

摘要
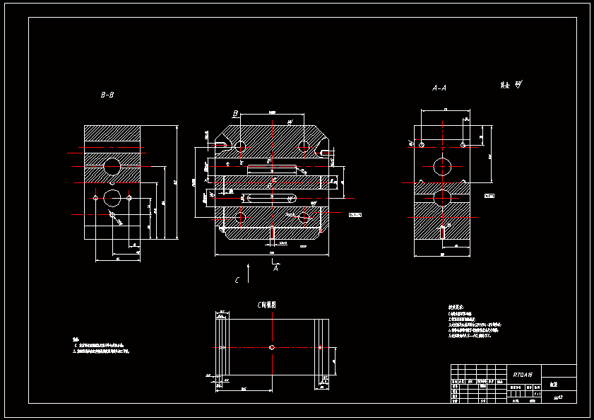
配气机构是发动机的重要机构之一,其设计好坏对发动机的性能、可靠性和寿命有着很大的影响。现阶段我们普遍使用的是往复式顶杆气门进排气装置,其不足之处在于:1)噪音比较大;2)内燃机是自然吸气的,传统顶杆气门装置由凸轮驱动,一旦凸轮形线确定,气门最大开度和相位配合角度也随之确定。而气动发动机进气要求压力和流量可调节,即要求进气相位可调。所以传统顶杆气门进排气装置不能满足气动发动机的要求。 为了改善和克服传统气动发动机所采用的往复开闭气门振动大及进气角度问题,本实用新型往复式发动机的旋转阀配气机构提出了一种结构简单的旋转气门配气机构。本实用新型配气机构采用了旋转阀,旋转阀体是一个管状回转体,安装在气缸盖中。曲轴通过正时带轮、正时皮带带动旋转阀转动。旋转阀进、排气道沿阀体轴向排列,阀体外圆周面开有旋转阀进、排气口,旋转阀进、排气口分别将旋转阀进气道、排气道与燃烧室连通,旋转阀进气道和旋转阀排气道分别与进气管、排气管连结。由于采用了旋转气门,免除了配气机构的往复运动,有效减小了气门开闭的震动,使整个发动机的震动大大减小。由于进、排气通道设计在一个旋转体中,传动件很少。本实用新型特别适用于小型单或多缸发动机。
温馨提示:
1、题目前面的备注【字母数字编号】为本站整理分类的编号,与课题内容无关,请选题时忽视;
2、若题目上备注三维,则表示文件里包含三维源文件,由于三维组成零件数量较多,为保证预览截图的简洁性,本站将三维文件夹进行了打包。三维及CAD预览截图,均为本站电脑打开软件进行截图的,保证能够打开,下载原件超高清,下载后解压即可;
3、本站所有资源如无特殊说明,都需要本地电脑安装Office2007。图纸软件为AutoCAD,PROE,UG,SolidWorks,CATIA等;
4、本站所有图文资料仅供用户学习参考,不作为任何商用或其他用途;
5、本站不保证下载资源的准确性、安全性和完整性, 不包修改,不支持退换,同时也不承担用户因使用这些下载资源对自己和他人造成任何形式的伤害或损失;
6、 下载文件中如有侵权或不适当内容,请与我们联系,我们立即纠正。