JJ7727-一次性饭盒注塑模具设计
JJ7726-玩具电池盖注塑模设计
JJ7725-折叶盒注射成型模具设计-折页盒[含UG三维图]
JJ7724-空调遥控器上壳注塑模具设计[含UG三维图]
JJ7720-家用配电箱罩盖注塑模具设计[含UG三维图]
JJ7689-隔弧板注塑模具设计
JJ7688-修正带大齿轮注塑模具设计
JJ7687-纽扣塑料注塑模具设计
JJ7686-面具的注塑模具设计[含UG三维图]
P619-仪表盘上盖注塑模具设计[含UG三维图]
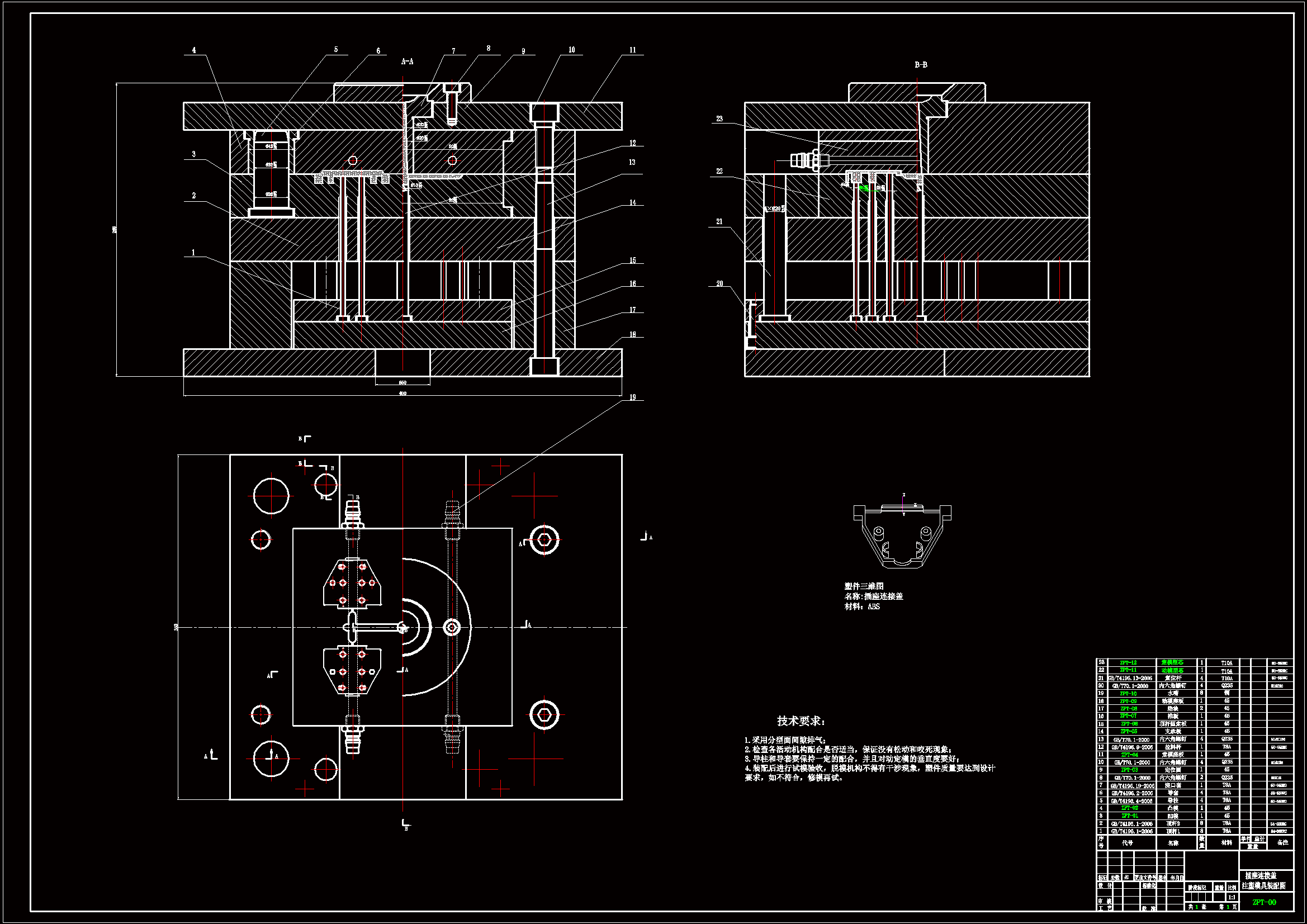
JJ7684-插座连接盖注塑模具设计
JJ7683-晨光0.7mm铅笔芯盒的注塑模具设计
JJ7682-红叶H16型雨伞把注塑模具设计
JJ7681-简便擦头注塑模具设计[含UG三维图]
JJ7680-家用拖布配件注塑模具设计[含UG三维图]
JJ7679-剃须刀罩盖注塑模具设计[含UG三维图]
P942-游戏机手柄外壳注塑模具设计[含UG三维图]
P458-导向轮注塑模设计
JJ7675-塑料拉手注塑模具设计【含UG三维图】
JJ7674-遥控器电池后盖注塑模具设计【含UG三维图】