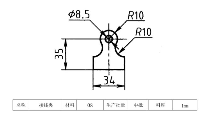
JJ2600-接线夹(BS13-F119)钣金成形工艺及冲压模具设计
JJ2599-拔头、拨头(BS13-F120)钣金成形工艺及冲压模具设计
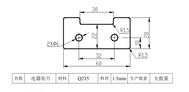
JJ2598-电器矩片(BS14-F127)钣金成形工艺及冲压模具设计
JJ2597-汽车长垫片(BS14-F118)钣金成形工艺及冲压模具设计-孔距95
JJ2596-锥形件(BS16-F20)钣金成形工艺及冲压模具设计
JJ2595-弯形铰链(BS16-F11)钣金成形工艺及冲压模具设计
JJ2594-弯垫板(BS16-F18)零件的钣金成形工艺及冲压模具设计-长120
JJ2593-汽车长垫片(BS14-F109)钣金成形工艺及冲压模具设计-孔距35
JJ2592-支板-1(BS14-F15143)钣金成形工艺及冲裁模具设计
JJ2591-Z字形弯板(BS14-F15138)钣金成形工艺及弯曲模具设计-长40
JJ2590-支板1(BS14-F15147)钣金成形工艺及冲裁模具设计
JJ2589-电器盖片(BS14-F122)钣金成形工艺及冲压模具设计
JJ2588-支架(BS14-F15151)钣金成形工艺及冲裁模具设计
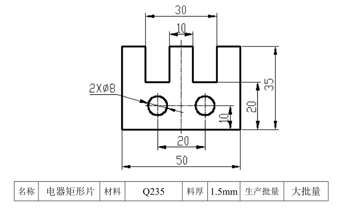
JJ2587-双孔E字电器矩形片(BS14-F128)钣金成形工艺及冲压模具设计
JJ2586-限位板(BS14-F105)钣金成形工艺及冲压模具设计
JJ2585-支板2(BS14-F15148)钣金成形工艺及冲裁模具设计
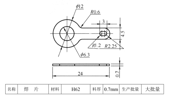
JJ2584-焊片(BS14-F116)钣金成形工艺及冲压模具设计
JJ2583-支板(BS14-F102)钣金成形工艺及冲压模具设计
JJ2582-弯板(BS14-F15135)钣金成形工艺及弯曲模具设计-长40
JJ2581-链条垫圈(BJKS13-01)钣金成形工艺及冲压模具设计-孔距68