JJ982-CD盒注塑模具设计[含UG三维图]
JJ981-CD外壳注塑模具设计[含UG三维图]
JJ980-车灯外壳注塑模具设计[含UG三维图]
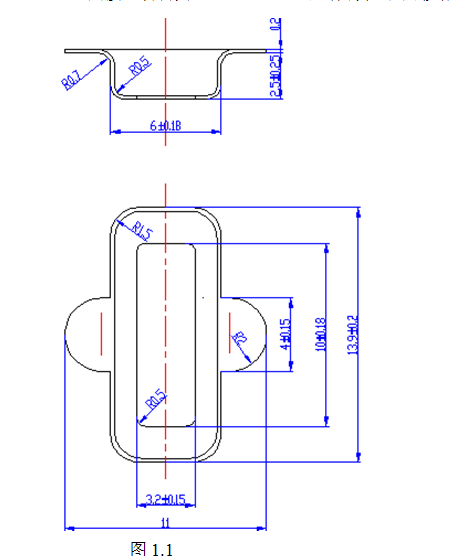
JJ979-衬衣卡扣注塑模具设计[含UG三维图]
JJ978-家用漏斗注塑模具设计[含UG三维图]
JJ977-塑料扳手注塑模具设计[含UG三维图]
JJ976-奶茶杯盖注塑模具设计[含UG三维图]
JJ975-塑料饭叉注塑模具设计[含UG三维图]
JJ974-玩具板凳注塑模具设计[含UG三维图]
Q892-菱形垫片冲压工艺与模具设计-长66
N263-自行车轴瓦冲压模具设计
N262-美的空调遥控器外壳注塑模具设计[含UG三维图]
N261-三格盘子注塑模具设计[含UG三维图]
N260-插座上壳注塑模具设计[含UG三维图]
N252-引出环反向拉深模具设计
N210-U形件冲压工艺及模具设计-长60
G057-万能手机充电器上翻盖注射模设计及编程
Z293-电喇叭底座冷冲压工艺及模具设计[2套模具]
Z272-电池柜冷藏箱DC-tall之箱体冲压工艺及模具设计[含UG三维图]
Z103-隔离罩多工位级进模设计