W937-烤架手柄塑件注射模设计
W936-卡板冲压工艺及模具设计-2套模具
W935-汽车卧铺车厢盖板拉延模设计
W914-板(框)类制品叠层式注射模具设计
W900F-镶片冲孔落料倒装复合模设计
W899-遥控器底壳的注射模具设计
W864-阀套塑件注塑成型工艺分析及模具设计
W863-一次性注射器推筒塑料模具设计
W862-水田耕种机箱体零件落料、拉深复合模设计
W838-喇叭罩拉深冲孔冲压模具设计
W836-食品加工机容器盖注塑模具设计
W835-灯盖的注塑模具设计
W829-接触器座注射模设计
W819-CC1026S侧板冲孔切头模设计
W818-仪表板的注塑模具设计
W812-电池盖注塑模具设计
W811-开关外壳的注塑模设计
W804-充电式电筒外壳注塑模具设计
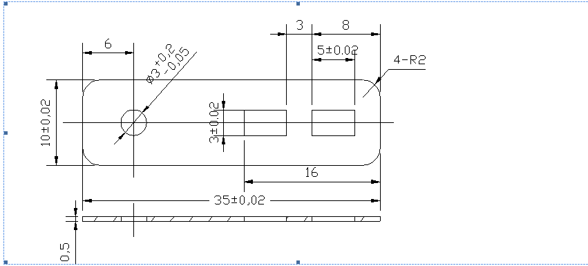
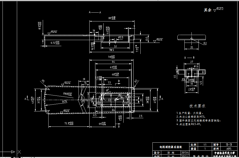
W803-遥控器后盖板注塑模设计
W802-电热水壶上盖注塑模设计