A232-链板片冲压成形工艺及模具设计
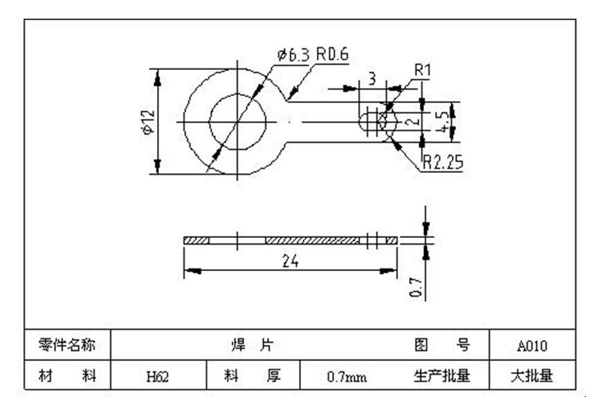
A224-焊片冲压工艺及模具设计
A223-焊片冲压成型工艺及模具设计
A222-焊片冲压成形工艺与落料冲孔复合模设计
A221-焊片冲压成形工艺及模具设计
A220-焊片冲压复合模设计
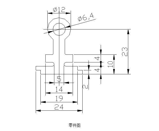
A205-回油管夹片弯曲模设计
A204-焊片冲压模具设计
A201-4.7寸苹果6保护套的注塑模具设计
A0173-三角衣架塑料模设计[含Proe三维图]
A0169-接线盒塑料注塑成形工艺及模具设计
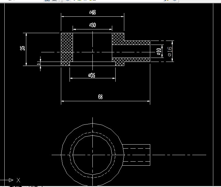
A0168-输油管接头注射模具设计
A0166-手柄冲裁模设计与制造
A0156-显示器支架冲压模设计
A0144-汽车前桥支架座冲压工艺及模具设计
A0141-吹风机外壳的注塑模的设计[模流分析]
A0127-手机后盖注射模工艺及模具设计
A0126-刷座注塑模具设计与工艺分析
A0115-电池连接板塑料模具设计
A0108-汽车玻璃升降器外壳模具设计