

作品包括:
word说明书一份,23页,约7300字左右
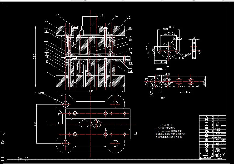
CAD版本图纸,共4张
目 录
目 录 - 1 -
1 绪 论 - 1 -
2. 确定零件的基本冲压工序 - 2 -
3.拟定冲压工艺方案 - 3 -
4.毛坯排样 - 4 -
5.冲压力的计算 - 6 -
5.1冲裁力 - 6 -
5.2卸料力 - 7 -
5.3推料力 - 7 -
5.4顶件力 - 7 -
5.5总压力 - 7 -
5.6冲裁间隙的计算 - 7 -
5.7刃口尺寸的计算 - 8 -
5.7凹模的设计 - 9 -
5.8冲孔凸模的设计 - 10 -
5.9凸凹模的设计 - 11 -
5.10凸模固定板的尺寸 - 12 -
5.11卸料板的尺寸 - 13 -
6.模具主要零部件的设计 - 14 -
6.1模架的结构设计 - 14 -
6.2下模座的选择设计 - 15 -
6.3上模座的选择设计 - 16 -
6.4导柱和导套的选择设计 - 16 -
6.5模柄的选择设计 - 17 -
6.6压力机的选择 - 17 -
7.绘制模具总装配图 - 18 -
8. 冲压模具装配工艺 - 18 -
9.心得与体会 - 19 -
参考文献 - 19 -
温馨提示:
1、题目前面的备注【字母数字编号】为本站整理分类的编号,与课题内容无关,请选题时忽视;
2、若题目上备注三维,则表示文件里包含三维源文件,由于三维组成零件数量较多,为保证预览截图的简洁性,本站将三维文件夹进行了打包。三维及CAD预览截图,均为本站电脑打开软件进行截图的,保证能够打开,下载原件超高清,下载后解压即可;
3、本站所有资源如无特殊说明,都需要本地电脑安装Office2007。图纸软件为AutoCAD,PROE,UG,SolidWorks,CATIA等;
4、本站所有图文资料仅供用户学习参考,不作为任何商用或其他用途;
5、本站不保证下载资源的准确性、安全性和完整性, 不包修改,不支持退换,同时也不承担用户因使用这些下载资源对自己和他人造成任何形式的伤害或损失;
6、 下载文件中如有侵权或不适当内容,请与我们联系,我们立即纠正。