

作品包括:
Word版说明书1份,共16页,约7400字
钣金成形冲压工艺规程一份
CAD版本图纸,共11张

摘要
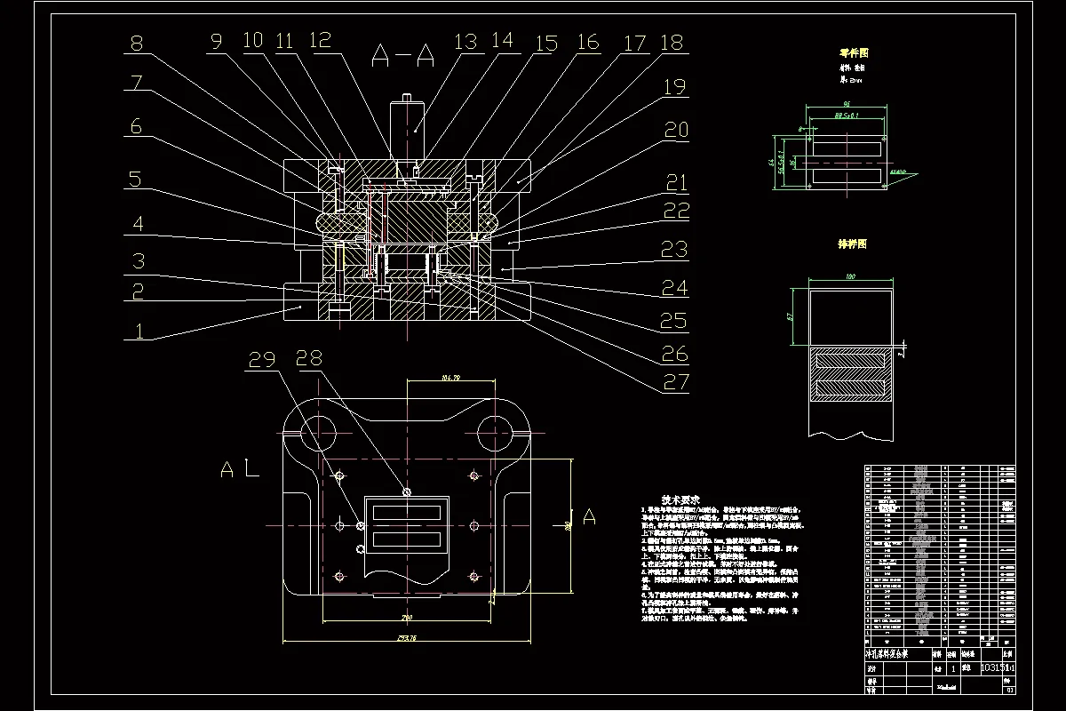
本次设计了冲孔落料的模具,通过冲裁力、顶件力、卸料力等计算,确定压力机的型号。在设计说明书的第一部分,主要叙述了冲压模具的发展状况,说明了冲压模具的重要性与本次设计的意义,接着是对冲压件的工艺分析,完成了工艺方案的确定。第二部分,对零件排样图的设计,完成了材料利用率的计算。再进行冲裁工艺力的计算和冲裁模工作部分的设计计算,对选择冲压设备提供依据。最后对主要零部件的设计和标准件的选择,为本次设计模具零件图的绘制和模具的成形提供依据,以及为装配图各尺寸提供依据。后面还介绍了模具的零件安装固定过程,介绍了凹模和上下模座的加工工艺。
关键字:冲压模具;冲压设备;冲孔;落料;
目录
摘要1
关键词1
1.前言1
1.1我国冲压模具现状2
1.2未来模具发展的趋势2
1.3本次设计主要内容2
2.零件冲压工艺分析2
2.1冲裁件及其精度与端面粗糙度2
2.2材料的冲压性能分析3
3冲裁方案的确定与排样3
3.1冲裁方案的分析和确定3
3.2排样图设计4
4工艺计算5
4.1冲裁力的计算5
4.2卸料力,推件力和顶件力的计算6
4.3冲裁工艺力的计算6
4.4模具压力中心的确定7
4.5冲压设备的选择7
5模具的结构方案设计8
5.1模具总体结构8
5.2主要零部件的设计8
5.2.1凹模的结构设计8
5.2.2冲裁凸模的结构设计9
5.2.3弹簧的选取9
5.2.4其他部分的设计与选用10
5.2.5冲孔落料模具总装图11
6模具零件的固定方法、安装与工作过程11
6.1模具零件的固定方法11
6.1.1凸模的固定11
6.1.2凹模的固定12
6.1.3导柱导套的固定12
6.1.4模柄的固定12
6.2模具的安装及装配12
6.2.1装配内容及装配顺序选择12
6.2.2模具的装配过程13
设计小结14
参考文献15
温馨提示:
1、题目前面的备注【字母数字编号】为本站整理分类的编号,与课题内容无关,请选题时忽视;
2、若题目上备注三维,则表示文件里包含三维源文件,由于三维组成零件数量较多,为保证预览截图的简洁性,本站将三维文件夹进行了打包。三维及CAD预览截图,均为本站电脑打开软件进行截图的,保证能够打开,下载原件超高清,下载后解压即可;
3、本站所有资源如无特殊说明,都需要本地电脑安装Office2007。图纸软件为AutoCAD,PROE,UG,SolidWorks,CATIA等;
4、本站所有图文资料仅供用户学习参考,不作为任何商用或其他用途;
5、本站不保证下载资源的准确性、安全性和完整性, 不包修改,不支持退换,同时也不承担用户因使用这些下载资源对自己和他人造成任何形式的伤害或损失;
6、 下载文件中如有侵权或不适当内容,请与我们联系,我们立即纠正。