

作品包括:
Word版说明书1份,共38页,约12000字
CAD版本图纸,共18张


摘要
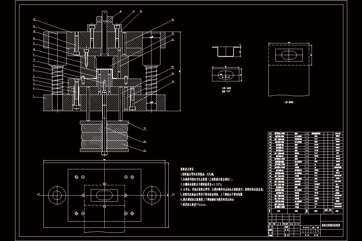
从课题工件本身的结构分析,工件外轮廓弧线相切,弧线感强且美观,属于非圆形筒件,工件底部和两侧由两对对称圆孔构成,因此由冲孔、拉深、落料等工艺生产而成;产品多工艺,结构较难,从实际生产的角度出发,为了节约模具制造成本,更好的控制工件的生产尺寸,工件的模具设计方案采用了冲孔落料两幅模具。在模具设计前主要分析计算工件的毛坯,查找图纸中未标注公差的尺寸公差,根据产品的公差来确定模具制造的精度;精确的计算工件的相关参数决定于模具的设计制造是否能投入生产、节约制造成本有着密切的关系;经过多次的工件工艺分析和参数计算,开始进行模具的结构设计,其中需要计算模具本身的相关参数,例如模具的闭合高度、卸料力、冲裁力、拉深力、冲裁间隙、拉深间隙、模具装配配合间隙、凸模高度、压力中心、模具总压力;所有的设计方案确定以后开始绘制模具草图、装配图、零件图、编写加工说明、制造工艺、技术要求。
关键词:拉深模,复合模,弯曲力,冲裁间隙,压力中心
温馨提示:
1、题目前面的备注【字母数字编号】为本站整理分类的编号,与课题内容无关,请选题时忽视;
2、若题目上备注三维,则表示文件里包含三维源文件,由于三维组成零件数量较多,为保证预览截图的简洁性,本站将三维文件夹进行了打包。三维及CAD预览截图,均为本站电脑打开软件进行截图的,保证能够打开,下载原件超高清,下载后解压即可;
3、本站所有资源如无特殊说明,都需要本地电脑安装Office2007。图纸软件为AutoCAD,PROE,UG,SolidWorks,CATIA等;
4、本站所有图文资料仅供用户学习参考,不作为任何商用或其他用途;
5、本站不保证下载资源的准确性、安全性和完整性, 不包修改,不支持退换,同时也不承担用户因使用这些下载资源对自己和他人造成任何形式的伤害或损失;
6、 下载文件中如有侵权或不适当内容,请与我们联系,我们立即纠正。